LabVIEW - NFC/RFID Bricklet

This is the description of the LabVIEW API bindings for the NFC/RFID Bricklet. General information and technical specifications for the NFC/RFID Bricklet are summarized in its hardware description.

An installation guide for the LabVIEW API bindings is part of their general description.

Examples

The example code below is Public Domain (CC0 1.0).

Scan For Tags

Download (Example Scan For Tags.vi), Download (Example Scan For Tags - StateChanged Callback.vi)

LabVIEW Scan For Tags Example

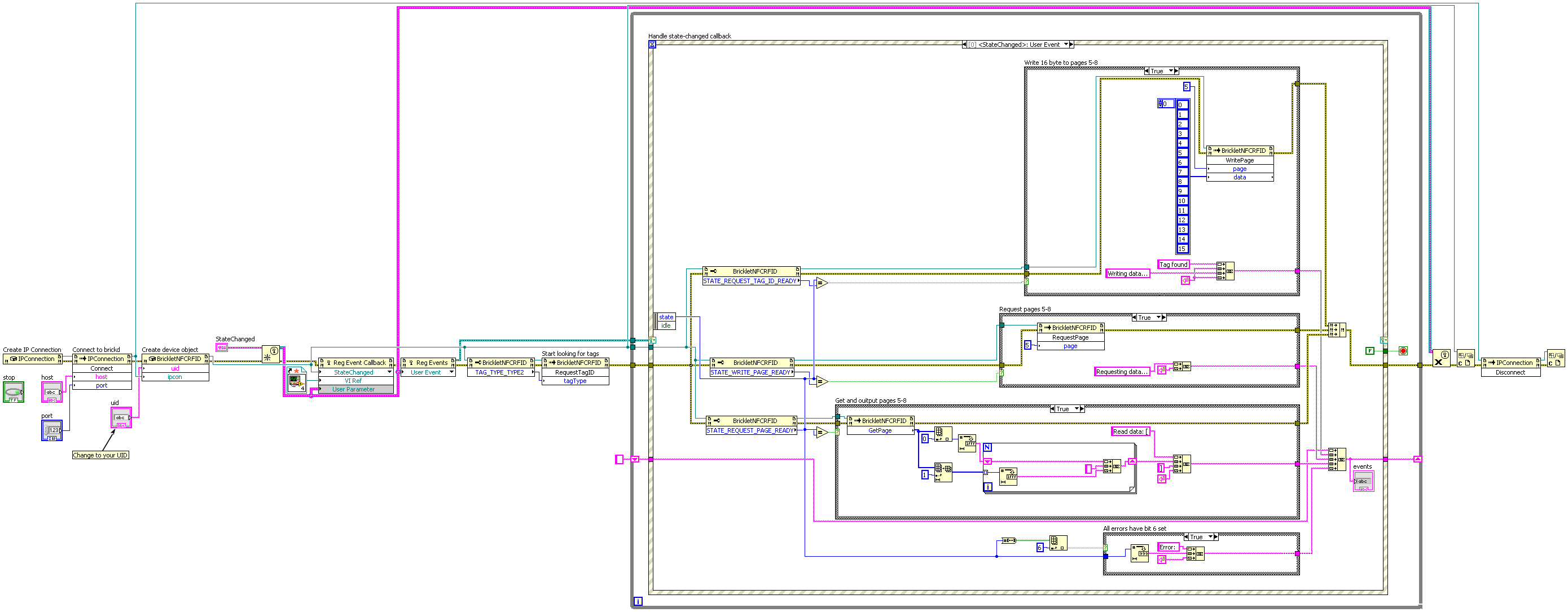
Write Read Type 2

Download (Example Write Read Type 2.vi), Download (Example Write Read Type 2 - StateChanged Callback.vi)

LabVIEW Write Read Type 2 Example

API

Generally, every function of the LabVIEW bindings that outputs a value can report a Tinkerforge.TimeoutException. This error gets reported if the device did not respond. If a cable based connection is used, it is unlikely that this exception gets thrown (assuming nobody plugs the device out). However, if a wireless connection is used, timeouts will occur if the distance to the device gets too big.

The namespace for all Brick/Bricklet bindings and the IPConnection is Tinkerforge.*.

Basic Functions

BrickletNFCRFID(uid, ipcon) nfcRFID
Input:
  • uid – Type: String
  • ipcon – Type: .NET Refnum (IPConnection)
Output:
  • nfcRFID – Type: .NET Refnum (BrickletNFCRFID)

Creates an object with the unique device ID uid. This object can then be used after the IP Connection is connected.

BrickletNFCRFID.RequestTagID(tagType)
Input:
  • tagType – Type: Byte, Range: See constants

To read or write a tag that is in proximity of the NFC/RFID Bricklet you first have to call this function with the expected tag type as parameter. It is no problem if you don't know the tag type. You can cycle through the available tag types until the tag gives an answer to the request.

Currently the following tag types are supported:

  • Mifare Classic

  • NFC Forum Type 1

  • NFC Forum Type 2

After you call RequestTagID() the NFC/RFID Bricklet will try to read the tag ID from the tag. After this process is done the state will change. You can either register the StateChangedCallback callback or you can poll GetState() to find out about the state change.

If the state changes to RequestTagIDError it means that either there was no tag present or that the tag is of an incompatible type. If the state changes to RequestTagIDReady it means that a compatible tag was found and that the tag ID could be read out. You can now get the tag ID by calling GetTagID().

If two tags are in the proximity of the NFC/RFID Bricklet, this function will cycle through the tags. To select a specific tag you have to call RequestTagID() until the correct tag id is found.

In case of any Error state the selection is lost and you have to start again by calling RequestTagID().

The following constants are available for this function:

For tagType:

  • BrickletNFCRFID.TAG_TYPE_MIFARE_CLASSIC = 0

  • BrickletNFCRFID.TAG_TYPE_TYPE1 = 1

  • BrickletNFCRFID.TAG_TYPE_TYPE2 = 2

BrickletNFCRFID.GetTagID() tagType, tidLength, tid
Output:
  • tagType – Type: Byte, Range: See constants
  • tidLength – Type: Byte, Range: [4, 7]
  • tid – Type: Byte[7], Range: [0 to 255]

Returns the tag type, tag ID and the length of the tag ID (4 or 7 bytes are possible length). This function can only be called if the NFC/RFID is currently in one of the Ready states. The returned ID is the ID that was saved through the last call of RequestTagID().

To get the tag ID of a tag the approach is as follows:

  1. Call RequestTagID()

  2. Wait for state to change to RequestTagIDReady (see GetState() or StateChangedCallback callback)

  3. Call GetTagID()

The following constants are available for this function:

For tagType:

  • BrickletNFCRFID.TAG_TYPE_MIFARE_CLASSIC = 0

  • BrickletNFCRFID.TAG_TYPE_TYPE1 = 1

  • BrickletNFCRFID.TAG_TYPE_TYPE2 = 2

BrickletNFCRFID.GetState() state, idle
Output:
  • state – Type: Byte, Range: See constants
  • idle – Type: Boolean

Returns the current state of the NFC/RFID Bricklet.

On startup the Bricklet will be in the Initialization state. The initialization will only take about 20ms. After that it changes to Idle.

The functions of this Bricklet can be called in the Idle state and all of the Ready and Error states.

Example: If you call RequestPage(), the state will change to RequestPage until the reading of the page is finished. Then it will change to either RequestPageReady if it worked or to RequestPageError if it didn't. If the request worked you can get the page by calling GetPage().

The same approach is used analogously for the other API functions.

The following constants are available for this function:

For state:

  • BrickletNFCRFID.STATE_INITIALIZATION = 0

  • BrickletNFCRFID.STATE_IDLE = 128

  • BrickletNFCRFID.STATE_ERROR = 192

  • BrickletNFCRFID.STATE_REQUEST_TAG_ID = 2

  • BrickletNFCRFID.STATE_REQUEST_TAG_ID_READY = 130

  • BrickletNFCRFID.STATE_REQUEST_TAG_ID_ERROR = 194

  • BrickletNFCRFID.STATE_AUTHENTICATING_MIFARE_CLASSIC_PAGE = 3

  • BrickletNFCRFID.STATE_AUTHENTICATING_MIFARE_CLASSIC_PAGE_READY = 131

  • BrickletNFCRFID.STATE_AUTHENTICATING_MIFARE_CLASSIC_PAGE_ERROR = 195

  • BrickletNFCRFID.STATE_WRITE_PAGE = 4

  • BrickletNFCRFID.STATE_WRITE_PAGE_READY = 132

  • BrickletNFCRFID.STATE_WRITE_PAGE_ERROR = 196

  • BrickletNFCRFID.STATE_REQUEST_PAGE = 5

  • BrickletNFCRFID.STATE_REQUEST_PAGE_READY = 133

  • BrickletNFCRFID.STATE_REQUEST_PAGE_ERROR = 197

BrickletNFCRFID.AuthenticateMifareClassicPage(page, keyNumber, key)
Input:
  • page – Type: Int32, Range: [0 to 216 - 1]
  • keyNumber – Type: Byte, Range: See constants
  • key – Type: Byte[6], Range: [0 to 255]

Mifare Classic tags use authentication. If you want to read from or write to a Mifare Classic page you have to authenticate it beforehand. Each page can be authenticated with two keys: A (key_number = 0) and B (key_number = 1). A new Mifare Classic tag that has not yet been written to can be accessed with key A and the default key [0xFF, 0xFF, 0xFF, 0xFF, 0xFF, 0xFF].

The approach to read or write a Mifare Classic page is as follows:

  1. Call RequestTagID()

  2. Wait for state to change to RequestTagIDReady (see GetState() or StateChangedCallback callback)

  3. If looking for a specific tag then call GetTagID() and check if the expected tag was found, if it was not found go back to step 1

  4. Call AuthenticateMifareClassicPage() with page and key for the page

  5. Wait for state to change to AuthenticatingMifareClassicPageReady (see GetState() or StateChangedCallback callback)

  6. Call RequestPage() or WritePage() to read/write page

The following constants are available for this function:

For keyNumber:

  • BrickletNFCRFID.KEY_A = 0

  • BrickletNFCRFID.KEY_B = 1

BrickletNFCRFID.WritePage(page, data)
Input:
  • page – Type: Int32, Range: [0 to 216 - 1]
  • data – Type: Byte[16], Range: [0 to 255]

Writes 16 bytes starting from the given page. How many pages are written depends on the tag type. The page sizes are as follows:

  • Mifare Classic page size: 16 byte (one page is written)

  • NFC Forum Type 1 page size: 8 byte (two pages are written)

  • NFC Forum Type 2 page size: 4 byte (four pages are written)

The general approach for writing to a tag is as follows:

  1. Call RequestTagID()

  2. Wait for state to change to RequestTagIDReady (see GetState() or StateChangedCallback callback)

  3. If looking for a specific tag then call GetTagID() and check if the expected tag was found, if it was not found got back to step 1

  4. Call WritePage() with page number and data

  5. Wait for state to change to WritePageReady (see GetState() or StateChangedCallback callback)

If you use a Mifare Classic tag you have to authenticate a page before you can write to it. See AuthenticateMifareClassicPage().

BrickletNFCRFID.RequestPage(page)
Input:
  • page – Type: Int32, Range: [0 to 216 - 1]

Reads 16 bytes starting from the given page and stores them into a buffer. The buffer can then be read out with GetPage(). How many pages are read depends on the tag type. The page sizes are as follows:

  • Mifare Classic page size: 16 byte (one page is read)

  • NFC Forum Type 1 page size: 8 byte (two pages are read)

  • NFC Forum Type 2 page size: 4 byte (four pages are read)

The general approach for reading a tag is as follows:

  1. Call RequestTagID()

  2. Wait for state to change to RequestTagIDReady (see GetState() or StateChangedCallback callback)

  3. If looking for a specific tag then call GetTagID() and check if the expected tag was found, if it was not found got back to step 1

  4. Call RequestPage() with page number

  5. Wait for state to change to RequestPageReady (see GetState() or StateChangedCallback callback)

  6. Call GetPage() to retrieve the page from the buffer

If you use a Mifare Classic tag you have to authenticate a page before you can read it. See AuthenticateMifareClassicPage().

BrickletNFCRFID.GetPage() data
Output:
  • data – Type: Byte[16], Range: [0 to 255]

Returns 16 bytes of data from an internal buffer. To fill the buffer with specific pages you have to call RequestPage() beforehand.

Advanced Functions

BrickletNFCRFID.GetIdentity() uid, connectedUid, position, hardwareVersion, firmwareVersion, deviceIdentifier
Output:
  • uid – Type: String, Length: up to 8
  • connectedUid – Type: String, Length: up to 8
  • position – Type: Char, Range: ["a" to "h", "z"]
  • hardwareVersion – Type: Byte[3]
    • 0: major – Type: Byte, Range: [0 to 255]
    • 1: minor – Type: Byte, Range: [0 to 255]
    • 2: revision – Type: Byte, Range: [0 to 255]
  • firmwareVersion – Type: Byte[3]
    • 0: major – Type: Byte, Range: [0 to 255]
    • 1: minor – Type: Byte, Range: [0 to 255]
    • 2: revision – Type: Byte, Range: [0 to 255]
  • deviceIdentifier – Type: Int32, Range: [0 to 216 - 1]

Returns the UID, the UID where the Bricklet is connected to, the position, the hardware and firmware version as well as the device identifier.

The position can be 'a', 'b', 'c', 'd', 'e', 'f', 'g' or 'h' (Bricklet Port). A Bricklet connected to an Isolator Bricklet is always at position 'z'.

The device identifier numbers can be found here. There is also a constant for the device identifier of this Bricklet.

Callbacks

Callbacks can be registered to receive time critical or recurring data from the device. The registration is done by assigning a function to a callback property of the device object. The available callback property and their type of parameters are described below.

Note

Using callbacks for recurring events is always preferred compared to using getters. It will use less USB bandwidth and the latency will be a lot better, since there is no round trip time.

event BrickletNFCRFID.StateChangedCallback sender, state, idle
Callback Output:
  • sender – Type: .NET Refnum (BrickletNFCRFID)
  • state – Type: Byte, Range: See constants
  • idle – Type: Boolean

This callback is called if the state of the NFC/RFID Bricklet changes. See GetState() for more information about the possible states.

The following constants are available for this function:

For state:

  • BrickletNFCRFID.STATE_INITIALIZATION = 0

  • BrickletNFCRFID.STATE_IDLE = 128

  • BrickletNFCRFID.STATE_ERROR = 192

  • BrickletNFCRFID.STATE_REQUEST_TAG_ID = 2

  • BrickletNFCRFID.STATE_REQUEST_TAG_ID_READY = 130

  • BrickletNFCRFID.STATE_REQUEST_TAG_ID_ERROR = 194

  • BrickletNFCRFID.STATE_AUTHENTICATING_MIFARE_CLASSIC_PAGE = 3

  • BrickletNFCRFID.STATE_AUTHENTICATING_MIFARE_CLASSIC_PAGE_READY = 131

  • BrickletNFCRFID.STATE_AUTHENTICATING_MIFARE_CLASSIC_PAGE_ERROR = 195

  • BrickletNFCRFID.STATE_WRITE_PAGE = 4

  • BrickletNFCRFID.STATE_WRITE_PAGE_READY = 132

  • BrickletNFCRFID.STATE_WRITE_PAGE_ERROR = 196

  • BrickletNFCRFID.STATE_REQUEST_PAGE = 5

  • BrickletNFCRFID.STATE_REQUEST_PAGE_READY = 133

  • BrickletNFCRFID.STATE_REQUEST_PAGE_ERROR = 197

Virtual Functions

Virtual functions don't communicate with the device itself, but operate only on the API bindings device object. They can be called without the corresponding IP Connection object being connected.

BrickletNFCRFID.GetAPIVersion() apiVersion
Output:
  • apiVersion – Type: Byte[3]
    • 0: major – Type: Byte, Range: [0 to 255]
    • 1: minor – Type: Byte, Range: [0 to 255]
    • 2: revision – Type: Byte, Range: [0 to 255]

Returns the version of the API definition implemented by this API bindings. This is neither the release version of this API bindings nor does it tell you anything about the represented Brick or Bricklet.

BrickletNFCRFID.GetResponseExpected(functionId) responseExpected
Input:
  • functionId – Type: Byte, Range: See constants
Output:
  • responseExpected – Type: Boolean

Returns the response expected flag for the function specified by the function ID parameter. It is true if the function is expected to send a response, false otherwise.

For getter functions this is enabled by default and cannot be disabled, because those functions will always send a response. For callback configuration functions it is enabled by default too, but can be disabled by SetResponseExpected(). For setter functions it is disabled by default and can be enabled.

Enabling the response expected flag for a setter function allows to detect timeouts and other error conditions calls of this setter as well. The device will then send a response for this purpose. If this flag is disabled for a setter function then no response is sent and errors are silently ignored, because they cannot be detected.

The following constants are available for this function:

For functionId:

  • BrickletNFCRFID.FUNCTION_REQUEST_TAG_ID = 1

  • BrickletNFCRFID.FUNCTION_AUTHENTICATE_MIFARE_CLASSIC_PAGE = 4

  • BrickletNFCRFID.FUNCTION_WRITE_PAGE = 5

  • BrickletNFCRFID.FUNCTION_REQUEST_PAGE = 6

BrickletNFCRFID.SetResponseExpected(functionId, responseExpected)
Input:
  • functionId – Type: Byte, Range: See constants
  • responseExpected – Type: Boolean

Changes the response expected flag of the function specified by the function ID parameter. This flag can only be changed for setter (default value: false) and callback configuration functions (default value: true). For getter functions it is always enabled.

Enabling the response expected flag for a setter function allows to detect timeouts and other error conditions calls of this setter as well. The device will then send a response for this purpose. If this flag is disabled for a setter function then no response is sent and errors are silently ignored, because they cannot be detected.

The following constants are available for this function:

For functionId:

  • BrickletNFCRFID.FUNCTION_REQUEST_TAG_ID = 1

  • BrickletNFCRFID.FUNCTION_AUTHENTICATE_MIFARE_CLASSIC_PAGE = 4

  • BrickletNFCRFID.FUNCTION_WRITE_PAGE = 5

  • BrickletNFCRFID.FUNCTION_REQUEST_PAGE = 6

BrickletNFCRFID.SetResponseExpectedAll(responseExpected)
Input:
  • responseExpected – Type: Boolean

Changes the response expected flag for all setter and callback configuration functions of this device at once.

Constants

BrickletNFCRFID.DEVICE_IDENTIFIER

This constant is used to identify a NFC/RFID Bricklet.

The GetIdentity() function and the IPConnection.EnumerateCallback callback of the IP Connection have a deviceIdentifier parameter to specify the Brick's or Bricklet's type.

BrickletNFCRFID.DEVICE_DISPLAY_NAME

This constant represents the human readable name of a NFC/RFID Bricklet.