LabVIEW - NFC/RFID Bricklet

Dies ist die Beschreibung der LabVIEW API Bindings für das NFC/RFID Bricklet. Allgemeine Informationen über die Funktionen und technischen Spezifikationen des NFC/RFID Bricklet sind in dessen Hardware Beschreibung zusammengefasst.

Eine Installationanleitung für die LabVIEW API Bindings ist Teil deren allgemeine Beschreibung.

Beispiele

Der folgende Beispielcode ist Public Domain (CC0 1.0).

Scan For Tags

Download (Example Scan For Tags.vi), Download (Example Scan For Tags - StateChanged Callback.vi)

LabVIEW Scan For Tags Example

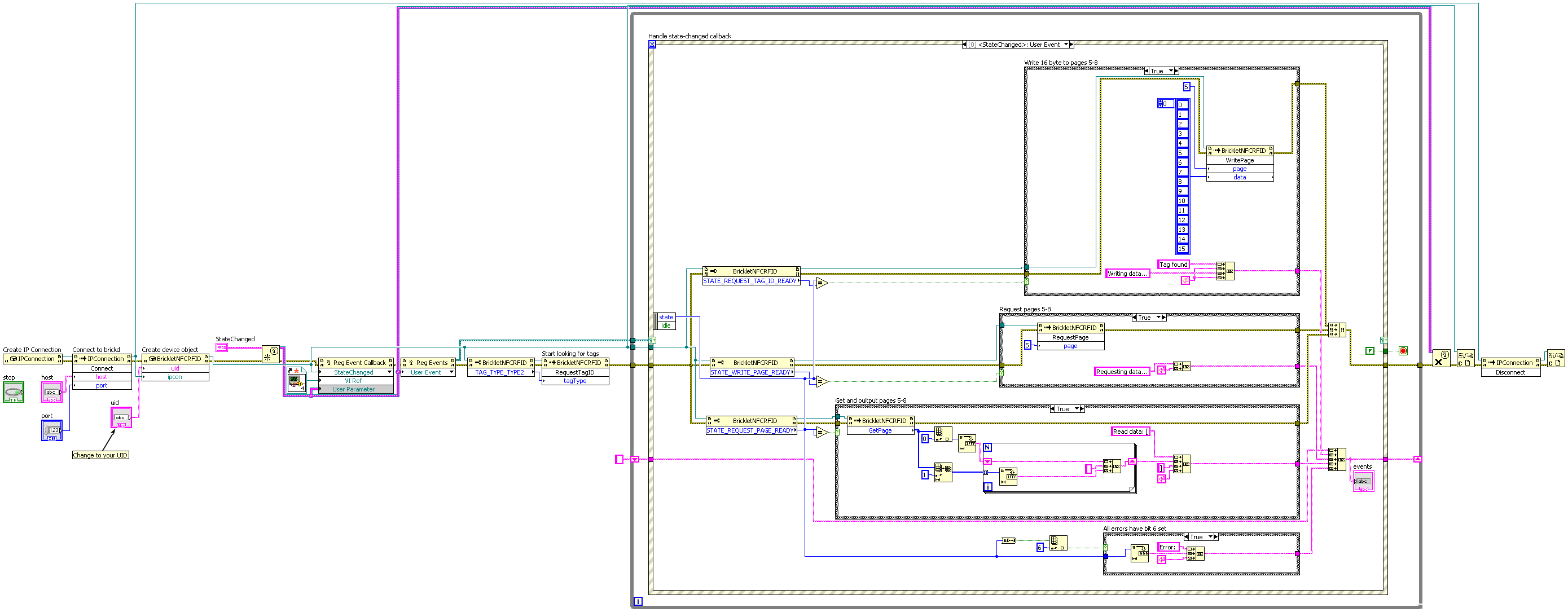
Write Read Type 2

Download (Example Write Read Type 2.vi), Download (Example Write Read Type 2 - StateChanged Callback.vi)

LabVIEW Write Read Type 2 Example

API

Prinzipiell kann jede Funktion der LabVIEW Bindings, welche einen Wert ausgibt eine Tinkerforge.TimeoutException melden. Dieser Fehler wird gemeldet wenn das Gerät nicht antwortet. Wenn eine Kabelverbindung genutzt wird, ist es unwahrscheinlich, dass die Exception geworfen wird (unter der Annahme, dass das Gerät nicht abgesteckt wird). Bei einer drahtlosen Verbindung können Zeitüberschreitungen auftreten, sobald die Entfernung zum Gerät zu groß wird.

Der Namensraum für alle Brick/Bricklet Bindings und die IPConnection ist Tinkerforge.*.

Grundfunktionen

BrickletNFCRFID(uid, ipcon) nfcRFID
Eingabe:
  • uid – Typ: String
  • ipcon – Typ: .NET Refnum (IPConnection)
Ausgabe:
  • nfcRFID – Typ: .NET Refnum (BrickletNFCRFID)

Erzeugt ein Objekt mit der eindeutigen Geräte ID uid. Dieses Objekt kann benutzt werden, nachdem die IP Connection verbunden ist.

BrickletNFCRFID.RequestTagID(tagType)
Eingabe:
  • tagType – Typ: Byte, Wertebereich: Siehe Konstanten

Um ein Tag welches sich in der nähe des NFC/RFID Bricklets befindet zu lesen oder zu schreiben muss zuerst diese Funktion mit dem erwarteten Tag Typ aufgerufen werden. Es ist kein Problem wenn der Typ nicht bekannt ist. Es ist möglich die verügbaren Tag Typen einfach nacheinander durchzutesten bis das Tag antwortet.

Aktuell werden die folgenden Tag Typen unterstützt:

  • Mifare Classic

  • NFC Forum Type 1

  • NFC Forum Type 2

Beim Aufruf von RequestTagID() probiert das NFC/RFID Bricklet die Tag ID eines Tags auszulesen. Nachdem dieser Prozess beendet ist ändert sich der Zustand des Bricklets. Es ist möglich den StateChangedCallback Callback zu registrieren oder den Zustand über GetState() zu pollen.

Wenn der Zustand auf RequestTagIDError wechselt ist ein Fehler aufgetreten. Dies bedeutet, dass entweder kein Tag oder kein Tag vom passenden Typ gefunden werden konnte. Wenn der Zustand auf RequestTagIDReady wechselt ist ein kompatibles Tag gefunden worden und die Tag ID wurde gespeichert. Die Tag ID kann nun über GetTagID() ausgelesen werden.

Wenn sich zwei Tags gleichzeitig in der Nähe des NFC/RFID Bricklets befinden werden diese nacheinander ausgelesen. Um ein spezifisches Tag zu selektieren muss RequestTagID() so lange aufgerufen werden bis das korrekte Tag gefunden wurde.

Falls sich das NFC/RFID Bricklet in einem der Error Zustände befindet ist die Selektion aufgehoben und RequestTagID() muss erneut aufgerufen werden.

Die folgenden Konstanten sind für diese Funktion verfügbar:

Für tagType:

  • BrickletNFCRFID.TAG_TYPE_MIFARE_CLASSIC = 0

  • BrickletNFCRFID.TAG_TYPE_TYPE1 = 1

  • BrickletNFCRFID.TAG_TYPE_TYPE2 = 2

BrickletNFCRFID.GetTagID() tagType, tidLength, tid
Ausgabe:
  • tagType – Typ: Byte, Wertebereich: Siehe Konstanten
  • tidLength – Typ: Byte, Wertebereich: [4, 7]
  • tid – Typ: Byte[7], Wertebereich: [0 bis 255]

Gibt den Tag Typ, die Tag ID und die Länge der Tag ID (4 oder 7 Byte möglich) zurück. Diese Funktion kann nur aufgerufen werden wenn sich das Bricklet gerade in einem der Ready-Zustände befindet. Die zurückgegebene ID ist die letzte ID die durch einen Aufruf von RequestTagID() gefunden wurde.

Der Ansatz um die Tag ID eines Tags zu bekommen sieht wie folgt aus:

  1. Rufe RequestTagID() auf

  2. Warte auf einen Zustandswechsel auf RequestTagIDReady (siehe GetState() oder StateChangedCallback Callback)

  3. Rufe GetTagID() auf

Die folgenden Konstanten sind für diese Funktion verfügbar:

Für tagType:

  • BrickletNFCRFID.TAG_TYPE_MIFARE_CLASSIC = 0

  • BrickletNFCRFID.TAG_TYPE_TYPE1 = 1

  • BrickletNFCRFID.TAG_TYPE_TYPE2 = 2

BrickletNFCRFID.GetState() state, idle
Ausgabe:
  • state – Typ: Byte, Wertebereich: Siehe Konstanten
  • idle – Typ: Boolean

Gibt den aktuellen Zustand des NFC/RFID Bricklets aus.

Während der Startphase ist der Zustand Initialization. Die Initialisierung dauert etwa 20ms. Danach ändert sich der Zustand zu Idle.

Die Funktionen dieses Bricklets können aufgerufen werden wenn der Zustand entweder Idle ist oder einer der Ready oder Error-Zustände erreicht wurde.

Beispiel: Wenn RequestPage() aufgerufen wird, änder sich der Zustand zu RequestPage solange der Leseprozess noch nicht abgeschlossen ist. Danach ändert sich der Zustand zu RequestPageReady wenn das lesen funktioniert hat oder zu RequestPageError wenn nicht. Wenn die Anfrage erfolgreich war kann die Page mit GetPage() abgerufen werden.

Der gleiche Ansatz kann analog für andere API Funktionen verwendet werden.

Die folgenden Konstanten sind für diese Funktion verfügbar:

Für state:

  • BrickletNFCRFID.STATE_INITIALIZATION = 0

  • BrickletNFCRFID.STATE_IDLE = 128

  • BrickletNFCRFID.STATE_ERROR = 192

  • BrickletNFCRFID.STATE_REQUEST_TAG_ID = 2

  • BrickletNFCRFID.STATE_REQUEST_TAG_ID_READY = 130

  • BrickletNFCRFID.STATE_REQUEST_TAG_ID_ERROR = 194

  • BrickletNFCRFID.STATE_AUTHENTICATING_MIFARE_CLASSIC_PAGE = 3

  • BrickletNFCRFID.STATE_AUTHENTICATING_MIFARE_CLASSIC_PAGE_READY = 131

  • BrickletNFCRFID.STATE_AUTHENTICATING_MIFARE_CLASSIC_PAGE_ERROR = 195

  • BrickletNFCRFID.STATE_WRITE_PAGE = 4

  • BrickletNFCRFID.STATE_WRITE_PAGE_READY = 132

  • BrickletNFCRFID.STATE_WRITE_PAGE_ERROR = 196

  • BrickletNFCRFID.STATE_REQUEST_PAGE = 5

  • BrickletNFCRFID.STATE_REQUEST_PAGE_READY = 133

  • BrickletNFCRFID.STATE_REQUEST_PAGE_ERROR = 197

BrickletNFCRFID.AuthenticateMifareClassicPage(page, keyNumber, key)
Eingabe:
  • page – Typ: Int32, Wertebereich: [0 bis 216 - 1]
  • keyNumber – Typ: Byte, Wertebereich: Siehe Konstanten
  • key – Typ: Byte[6], Wertebereich: [0 bis 255]

Mifare Classic Tags nutzen Authentifizierung. Wenn eine Page eines Mifare Classic Tags gelesen oder geschrieben werden soll muss diese zuvor Authentifiziert werden. Jede Page kann mit zwei Schlüsseln, A (key_number = 0) und B (key_number = 1), authentifiziert werden. Ein neues Mifare Classic Tag welches noch nicht beschrieben wurde kann über Schlüssel A mit dem Standardschlüssel [0xFF, 0xFF, 0xFF, 0xFF, 0xFF, 0xFF] genutzt werden.

Der Ansatz um eine Mifare Classic Page zu lesen oder zu schreiben sieht wie folgt aus:

  1. Rufe RequestTagID() auf

  2. Warte auf einen Zustandswechsel auf RequestTagIDReady (siehe GetState() oder StateChangedCallback Callback)

  3. Wenn mit einem bestimmten Tag gearbeitet werden soll, dann rufe GetTagID() auf und überprüfe, ob der erwartete Tag gefunden wurde, wenn er nicht gefunden wurde mit Schritt 1 fortfahren

  4. Rufe AuthenticateMifareClassicPage() mit Page und Schlüssel für die Page auf

  5. Warte auf einen Zustandswechsel auf AuthenticatingMifareClassicPageReady (siehe GetState() oder StateChangedCallback Callback)

  6. Rufe RequestPage() oder WritePage() zum Lesen/Schreiben einer Page auf

Die folgenden Konstanten sind für diese Funktion verfügbar:

Für keyNumber:

  • BrickletNFCRFID.KEY_A = 0

  • BrickletNFCRFID.KEY_B = 1

BrickletNFCRFID.WritePage(page, data)
Eingabe:
  • page – Typ: Int32, Wertebereich: [0 bis 216 - 1]
  • data – Typ: Byte[16], Wertebereich: [0 bis 255]

Schreibt 16 Bytes startend von der übergebenen Page. Wie viele Pages dadurch geschrieben werden hängt vom Typ des Tags ab. Die Pagegrößen verhalten sich wie folgt:

  • Mifare Classic Pagegröße: 16 byte (eine Page wird geschrieben)

  • NFC Forum Type 1 Pagegröße: 8 byte (zwei Pages werden geschrieben)

  • NFC Forum Type 2 Pagegröße: 4 byte (vier Pages werden geschrieben)

Der generelle Ansatz zum Schreiben eines Tags sieht wie folgt aus:

  1. Rufe RequestTagID() auf

  2. Warte auf einen Zustandswechsel auf RequestTagIDReady (siehe GetState() oder StateChangedCallback callback)

  3. Wenn mit einem bestimmten Tag gearbeitet werden soll, dann rufe GetTagID() auf und überprüfe, ob der erwartete Tag gefunden wurde, wenn er nicht gefunden wurde mit Schritt 1 fortfahren

  4. Rufe WritePage() mit der Page sowie den zu schreibenden Daten auf

  5. Warte auf einen Zustandswechsel auf WritePageReady (siehe GetState() oder StateChangedCallback Callback)

Wenn ein Mifare Classic Tag verwendet wird muss die Page authentifiziert werden bevor sie geschrieben werden kann. Siehe AuthenticateMifareClassicPage().

BrickletNFCRFID.RequestPage(page)
Eingabe:
  • page – Typ: Int32, Wertebereich: [0 bis 216 - 1]

Liest 16 Bytes startend von der übergebenen Page und speichert sie in einem Buffer. Dieser Buffer kann mit GetPage() ausgelesen werden. Wie viele Pages dadurch gelesen werden hängt vom Typ des Tags ab. Die Pagegrößen verhalten sich wie folgt:

  • Mifare Classic Pagegröße: 16 byte (eine Page wird gelesen)

  • NFC Forum Type 1 Pagegröße: 8 byte (zwei Pages werden gelesen)

  • NFC Forum Type 2 Pagegröße: 4 byte (vier Pages werden gelesen)

Der generelle Ansatz zum Lesen eines Tags sieht wie folgt aus:

  1. Rufe RequestTagID() auf

  2. Warte auf einen Zustandswechsel auf RequestTagIDReady (siehe GetState() oder StateChangedCallback Callback)

  3. Wenn mit einem bestimmten Tag gearbeitet werden soll, dann rufe GetTagID() auf und überprüfe, ob der erwartete Tag gefunden wurde, wenn er nicht gefunden wurde mit Schritt 1 fortfahren

  4. Rufe RequestPage() mit der zu lesenden Page auf

  5. Warte auf einen Zustandswechsel auf RequestPageReady (siehe GetState() oder StateChangedCallback Callback)

  6. Rufe GetPage() auf um die gespeicherte Page abzufragen

Wenn ein Mifare Classic Tag verwendet wird muss die Page authentifiziert werden bevor sie gelesen werden kann. Siehe AuthenticateMifareClassicPage().

BrickletNFCRFID.GetPage() data
Ausgabe:
  • data – Typ: Byte[16], Wertebereich: [0 bis 255]

Gibt 16 Bytes Daten aus einem internen Buffer zurück. Der Buffer kann zuvor mit spezifischen Pages über einen Aufruf von RequestPage() gefüllt werden.

Fortgeschrittene Funktionen

BrickletNFCRFID.GetIdentity() uid, connectedUid, position, hardwareVersion, firmwareVersion, deviceIdentifier
Ausgabe:
  • uid – Typ: String, Länge: bis zu 8
  • connectedUid – Typ: String, Länge: bis zu 8
  • position – Typ: Char, Wertebereich: ["a" bis "h", "z"]
  • hardwareVersion – Typ: Byte[3]
    • 0: major – Typ: Byte, Wertebereich: [0 bis 255]
    • 1: minor – Typ: Byte, Wertebereich: [0 bis 255]
    • 2: revision – Typ: Byte, Wertebereich: [0 bis 255]
  • firmwareVersion – Typ: Byte[3]
    • 0: major – Typ: Byte, Wertebereich: [0 bis 255]
    • 1: minor – Typ: Byte, Wertebereich: [0 bis 255]
    • 2: revision – Typ: Byte, Wertebereich: [0 bis 255]
  • deviceIdentifier – Typ: Int32, Wertebereich: [0 bis 216 - 1]

Gibt die UID, die UID zu der das Bricklet verbunden ist, die Position, die Hard- und Firmware Version sowie den Device Identifier zurück.

Die Position ist 'a', 'b', 'c', 'd', 'e', 'f', 'g' oder 'h' (Bricklet Anschluss). Ein Bricklet hinter einem Isolator Bricklet ist immer an Position 'z'.

Eine Liste der Device Identifier Werte ist hier zu finden. Es gibt auch eine Konstante für den Device Identifier dieses Bricklets.

Callbacks

Callbacks können registriert werden um zeitkritische oder wiederkehrende Daten vom Gerät zu erhalten. Die Registrierung erfolgt indem eine Funktion einem Callback Property des Geräte Objektes zugewiesen wird. Die verfügbaren Callback Properties und ihre Parametertypen werden weiter unten beschrieben.

Bemerkung

Callbacks für wiederkehrende Ereignisse zu verwenden ist immer zu bevorzugen gegenüber der Verwendung von Abfragen. Es wird weniger USB-Bandbreite benutzt und die Latenz ist erheblich geringer, da es keine Paketumlaufzeit gibt.

event BrickletNFCRFID.StateChangedCallback sender, state, idle
Callback-Ausgabe:
  • sender – Typ: .NET Refnum (BrickletNFCRFID)
  • state – Typ: Byte, Wertebereich: Siehe Konstanten
  • idle – Typ: Boolean

Dieser Callback wird ausgelöst, wenn der Zustand des NFC/RFID Bricklets sich verändert. Siehe GetState() für mehr Informationen über die möglichen Zustände des Bricklets.

Die folgenden Konstanten sind für diese Funktion verfügbar:

Für state:

  • BrickletNFCRFID.STATE_INITIALIZATION = 0

  • BrickletNFCRFID.STATE_IDLE = 128

  • BrickletNFCRFID.STATE_ERROR = 192

  • BrickletNFCRFID.STATE_REQUEST_TAG_ID = 2

  • BrickletNFCRFID.STATE_REQUEST_TAG_ID_READY = 130

  • BrickletNFCRFID.STATE_REQUEST_TAG_ID_ERROR = 194

  • BrickletNFCRFID.STATE_AUTHENTICATING_MIFARE_CLASSIC_PAGE = 3

  • BrickletNFCRFID.STATE_AUTHENTICATING_MIFARE_CLASSIC_PAGE_READY = 131

  • BrickletNFCRFID.STATE_AUTHENTICATING_MIFARE_CLASSIC_PAGE_ERROR = 195

  • BrickletNFCRFID.STATE_WRITE_PAGE = 4

  • BrickletNFCRFID.STATE_WRITE_PAGE_READY = 132

  • BrickletNFCRFID.STATE_WRITE_PAGE_ERROR = 196

  • BrickletNFCRFID.STATE_REQUEST_PAGE = 5

  • BrickletNFCRFID.STATE_REQUEST_PAGE_READY = 133

  • BrickletNFCRFID.STATE_REQUEST_PAGE_ERROR = 197

Virtuelle Funktionen

Virtuelle Funktionen kommunizieren nicht mit dem Gerät selbst, sie arbeiten nur auf dem API Bindings Objekt. Dadurch können sie auch aufgerufen werden, ohne das das dazugehörige IP Connection Objekt verbunden ist.

BrickletNFCRFID.GetAPIVersion() apiVersion
Ausgabe:
  • apiVersion – Typ: Byte[3]
    • 0: major – Typ: Byte, Wertebereich: [0 bis 255]
    • 1: minor – Typ: Byte, Wertebereich: [0 bis 255]
    • 2: revision – Typ: Byte, Wertebereich: [0 bis 255]

Gibt die Version der API Definition zurück, die diese API Bindings implementieren. Dies ist weder die Release-Version dieser API Bindings noch gibt es in irgendeiner Weise Auskunft über den oder das repräsentierte(n) Brick oder Bricklet.

BrickletNFCRFID.GetResponseExpected(functionId) responseExpected
Eingabe:
  • functionId – Typ: Byte, Wertebereich: Siehe Konstanten
Ausgabe:
  • responseExpected – Typ: Boolean

Gibt das Response-Expected-Flag für die Funktion mit der angegebenen Funktions IDs zurück. Es ist true falls für die Funktion beim Aufruf eine Antwort erwartet wird, false andernfalls.

Für Getter-Funktionen ist diese Flag immer gesetzt und kann nicht entfernt werden, da diese Funktionen immer eine Antwort senden. Für Konfigurationsfunktionen für Callbacks ist es standardmäßig gesetzt, kann aber entfernt werden mittels SetResponseExpected(). Für Setter-Funktionen ist es standardmäßig nicht gesetzt, kann aber gesetzt werden.

Wenn das Response-Expected-Flag für eine Setter-Funktion gesetzt ist, können Timeouts und andere Fehlerfälle auch für Aufrufe dieser Setter-Funktion detektiert werden. Das Gerät sendet dann eine Antwort extra für diesen Zweck. Wenn das Flag für eine Setter-Funktion nicht gesetzt ist, dann wird keine Antwort vom Gerät gesendet und Fehler werden stillschweigend ignoriert, da sie nicht detektiert werden können.

Die folgenden Konstanten sind für diese Funktion verfügbar:

Für functionId:

  • BrickletNFCRFID.FUNCTION_REQUEST_TAG_ID = 1

  • BrickletNFCRFID.FUNCTION_AUTHENTICATE_MIFARE_CLASSIC_PAGE = 4

  • BrickletNFCRFID.FUNCTION_WRITE_PAGE = 5

  • BrickletNFCRFID.FUNCTION_REQUEST_PAGE = 6

BrickletNFCRFID.SetResponseExpected(functionId, responseExpected)
Eingabe:
  • functionId – Typ: Byte, Wertebereich: Siehe Konstanten
  • responseExpected – Typ: Boolean

Ändert das Response-Expected-Flag für die Funktion mit der angegebenen Funktion IDs. Diese Flag kann nur für Setter-Funktionen (Standardwert: false) und Konfigurationsfunktionen für Callbacks (Standardwert: true) geändert werden. Für Getter-Funktionen ist das Flag immer gesetzt.

Wenn das Response-Expected-Flag für eine Setter-Funktion gesetzt ist, können Timeouts und andere Fehlerfälle auch für Aufrufe dieser Setter-Funktion detektiert werden. Das Gerät sendet dann eine Antwort extra für diesen Zweck. Wenn das Flag für eine Setter-Funktion nicht gesetzt ist, dann wird keine Antwort vom Gerät gesendet und Fehler werden stillschweigend ignoriert, da sie nicht detektiert werden können.

Die folgenden Konstanten sind für diese Funktion verfügbar:

Für functionId:

  • BrickletNFCRFID.FUNCTION_REQUEST_TAG_ID = 1

  • BrickletNFCRFID.FUNCTION_AUTHENTICATE_MIFARE_CLASSIC_PAGE = 4

  • BrickletNFCRFID.FUNCTION_WRITE_PAGE = 5

  • BrickletNFCRFID.FUNCTION_REQUEST_PAGE = 6

BrickletNFCRFID.SetResponseExpectedAll(responseExpected)
Eingabe:
  • responseExpected – Typ: Boolean

Ändert das Response-Expected-Flag für alle Setter-Funktionen und Konfigurationsfunktionen für Callbacks diese Gerätes.

Konstanten

BrickletNFCRFID.DEVICE_IDENTIFIER

Diese Konstante wird verwendet um ein NFC/RFID Bricklet zu identifizieren.

Die GetIdentity() Funktion und der IPConnection.EnumerateCallback Callback der IP Connection haben ein deviceIdentifier Parameter um den Typ des Bricks oder Bricklets anzugeben.

BrickletNFCRFID.DEVICE_DISPLAY_NAME

Diese Konstante stellt den Anzeigenamen eines NFC/RFID Bricklet dar.