LabVIEW - UV Light Bricklet

Dies ist die Beschreibung der LabVIEW API Bindings für das UV Light Bricklet. Allgemeine Informationen über die Funktionen und technischen Spezifikationen des UV Light Bricklet sind in dessen Hardware Beschreibung zusammengefasst.

Eine Installationanleitung für die LabVIEW API Bindings ist Teil deren allgemeine Beschreibung.

Beispiele

Der folgende Beispielcode ist Public Domain (CC0 1.0).

Simple

Download (Example Simple.vi)

LabVIEW Simple Example

Callback

Download (Example Callback.vi), Download (Example Callback - UVLight Callback.vi)

LabVIEW Callback Example

Threshold

Download (Example Threshold.vi), Download (Example Threshold - UVLightReached Callback.vi)

LabVIEW Threshold Example

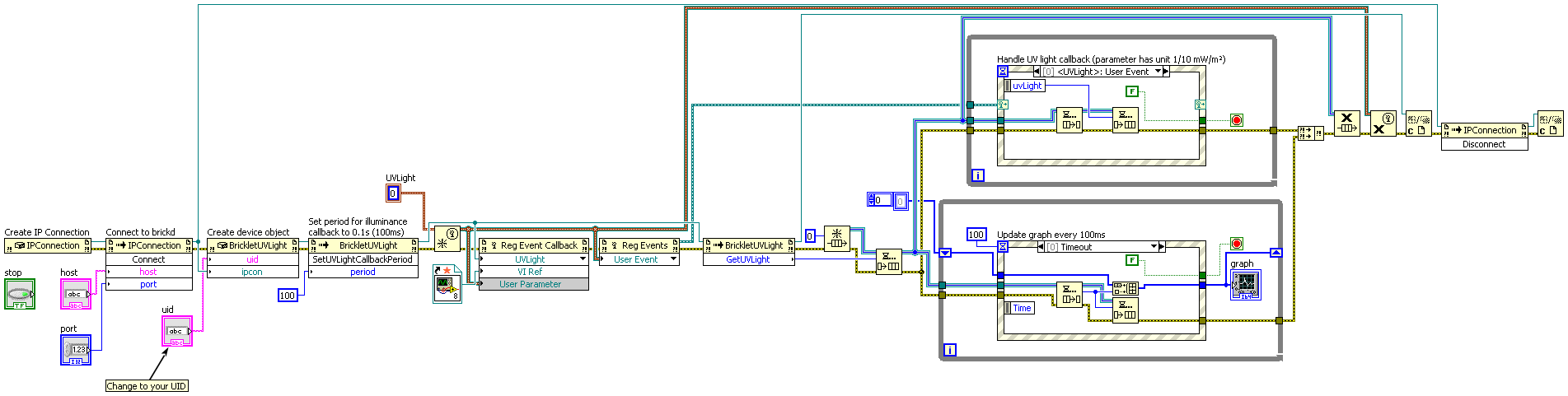
Graph

Download (Example Graph.vi), Download (Example Graph - UVLight Callback.vi)

LabVIEW Graph Example

API

Prinzipiell kann jede Funktion der LabVIEW Bindings, welche einen Wert ausgibt eine Tinkerforge.TimeoutException melden. Dieser Fehler wird gemeldet wenn das Gerät nicht antwortet. Wenn eine Kabelverbindung genutzt wird, ist es unwahrscheinlich, dass die Exception geworfen wird (unter der Annahme, dass das Gerät nicht abgesteckt wird). Bei einer drahtlosen Verbindung können Zeitüberschreitungen auftreten, sobald die Entfernung zum Gerät zu groß wird.

Der Namensraum für alle Brick/Bricklet Bindings und die IPConnection ist Tinkerforge.*.

Grundfunktionen

BrickletUVLight(uid, ipcon) uvLight
Eingabe:
  • uid – Typ: String
  • ipcon – Typ: .NET Refnum (IPConnection)
Ausgabe:
  • uvLight – Typ: .NET Refnum (BrickletUVLight)

Erzeugt ein Objekt mit der eindeutigen Geräte ID uid. Dieses Objekt kann benutzt werden, nachdem die IP Connection verbunden ist.

BrickletUVLight.GetUVLight() uvLight
Ausgabe:
  • uvLight – Typ: Int64, Einheit: 1/10 mW/m², Wertebereich: [0 bis 3280]

Gibt die UV-Licht-Intensität des Sensors zurück. Der Sensor hat die Intensität bereits mit dem Erythem-Wirkungsspektrum gewichtet, um die hautbeeinflussende Bestrahlungsstärke zu bestimmen.

Die Intensität kann dann einfach durch 250 geteilt werden um den UV Index zu bestimmen. Beispiel: Eine UV-Licht-Intensität von 500 entspricht einem UV Index von 2.

Wenn die Intensität periodisch abgefragt werden soll, wird empfohlen den UVLightCallback Callback zu nutzen und die Periode mit SetUVLightCallbackPeriod() vorzugeben.

Fortgeschrittene Funktionen

BrickletUVLight.GetIdentity() uid, connectedUid, position, hardwareVersion, firmwareVersion, deviceIdentifier
Ausgabe:
  • uid – Typ: String, Länge: bis zu 8
  • connectedUid – Typ: String, Länge: bis zu 8
  • position – Typ: Char, Wertebereich: ["a" bis "h", "z"]
  • hardwareVersion – Typ: Byte[3]
    • 0: major – Typ: Byte, Wertebereich: [0 bis 255]
    • 1: minor – Typ: Byte, Wertebereich: [0 bis 255]
    • 2: revision – Typ: Byte, Wertebereich: [0 bis 255]
  • firmwareVersion – Typ: Byte[3]
    • 0: major – Typ: Byte, Wertebereich: [0 bis 255]
    • 1: minor – Typ: Byte, Wertebereich: [0 bis 255]
    • 2: revision – Typ: Byte, Wertebereich: [0 bis 255]
  • deviceIdentifier – Typ: Int32, Wertebereich: [0 bis 216 - 1]

Gibt die UID, die UID zu der das Bricklet verbunden ist, die Position, die Hard- und Firmware Version sowie den Device Identifier zurück.

Die Position ist 'a', 'b', 'c', 'd', 'e', 'f', 'g' oder 'h' (Bricklet Anschluss). Ein Bricklet hinter einem Isolator Bricklet ist immer an Position 'z'.

Eine Liste der Device Identifier Werte ist hier zu finden. Es gibt auch eine Konstante für den Device Identifier dieses Bricklets.

Konfigurationsfunktionen für Callbacks

BrickletUVLight.SetUVLightCallbackPeriod(period)
Eingabe:
  • period – Typ: Int64, Einheit: 1 ms, Wertebereich: [0 bis 232 - 1], Standardwert: 0

Setzt die Periode mit welcher der UVLightCallback Callback ausgelöst wird. Ein Wert von 0 deaktiviert den Callback.

Der UVLightCallback Callback wird nur ausgelöst, wenn sich die Intensität seit der letzten Auslösung geändert hat.

BrickletUVLight.GetUVLightCallbackPeriod() period
Ausgabe:
  • period – Typ: Int64, Einheit: 1 ms, Wertebereich: [0 bis 232 - 1], Standardwert: 0

Gibt die Periode zurück, wie von SetUVLightCallbackPeriod() gesetzt.

BrickletUVLight.SetUVLightCallbackThreshold(option, min, max)
Eingabe:
  • option – Typ: Char, Wertebereich: Siehe Konstanten, Standardwert: "x"
  • min – Typ: Int64, Einheit: 1/10 mW/m², Wertebereich: [0 bis 232 - 1], Standardwert: 0
  • max – Typ: Int64, Einheit: 1/10 mW/m², Wertebereich: [0 bis 232 - 1], Standardwert: 0

Setzt den Schwellwert für den UVLightReachedCallback Callback.

Die folgenden Optionen sind möglich:

Option

Beschreibung

'x'

Callback ist inaktiv

'o'

Callback wird ausgelöst, wenn die Intensität außerhalb des min und max Wertes ist

'i'

Callback wird ausgelöst, wenn die Intensität innerhalb des min und max Wertes ist

'<'

Callback wird ausgelöst, wenn die Intensität kleiner als der min Wert ist (max wird ignoriert)

'>'

Callback wird ausgelöst, wenn die Intensität größer als der min Wert ist (max wird ignoriert)

Die folgenden Konstanten sind für diese Funktion verfügbar:

Für option:

  • BrickletUVLight.THRESHOLD_OPTION_OFF = "x"

  • BrickletUVLight.THRESHOLD_OPTION_OUTSIDE = "o"

  • BrickletUVLight.THRESHOLD_OPTION_INSIDE = "i"

  • BrickletUVLight.THRESHOLD_OPTION_SMALLER = "<"

  • BrickletUVLight.THRESHOLD_OPTION_GREATER = ">"

BrickletUVLight.GetUVLightCallbackThreshold() option, min, max
Ausgabe:
  • option – Typ: Char, Wertebereich: Siehe Konstanten, Standardwert: "x"
  • min – Typ: Int64, Einheit: 1/10 mW/m², Wertebereich: [0 bis 232 - 1], Standardwert: 0
  • max – Typ: Int64, Einheit: 1/10 mW/m², Wertebereich: [0 bis 232 - 1], Standardwert: 0

Gibt den Schwellwert zurück, wie von SetUVLightCallbackThreshold() gesetzt.

Die folgenden Konstanten sind für diese Funktion verfügbar:

Für option:

  • BrickletUVLight.THRESHOLD_OPTION_OFF = "x"

  • BrickletUVLight.THRESHOLD_OPTION_OUTSIDE = "o"

  • BrickletUVLight.THRESHOLD_OPTION_INSIDE = "i"

  • BrickletUVLight.THRESHOLD_OPTION_SMALLER = "<"

  • BrickletUVLight.THRESHOLD_OPTION_GREATER = ">"

BrickletUVLight.SetDebouncePeriod(debounce)
Eingabe:
  • debounce – Typ: Int64, Einheit: 1 ms, Wertebereich: [0 bis 232 - 1], Standardwert: 100

Setzt die Periode mit welcher die Schwellwert Callbacks

ausgelöst werden, wenn die Schwellwerte

weiterhin erreicht bleiben.

BrickletUVLight.GetDebouncePeriod() debounce
Ausgabe:
  • debounce – Typ: Int64, Einheit: 1 ms, Wertebereich: [0 bis 232 - 1], Standardwert: 100

Gibt die Entprellperiode zurück, wie von SetDebouncePeriod() gesetzt.

Callbacks

Callbacks können registriert werden um zeitkritische oder wiederkehrende Daten vom Gerät zu erhalten. Die Registrierung erfolgt indem eine Funktion einem Callback Property des Geräte Objektes zugewiesen wird. Die verfügbaren Callback Properties und ihre Parametertypen werden weiter unten beschrieben.

Bemerkung

Callbacks für wiederkehrende Ereignisse zu verwenden ist immer zu bevorzugen gegenüber der Verwendung von Abfragen. Es wird weniger USB-Bandbreite benutzt und die Latenz ist erheblich geringer, da es keine Paketumlaufzeit gibt.

event BrickletUVLight.UVLightCallback sender, uvLight
Callback-Ausgabe:
  • sender – Typ: .NET Refnum (BrickletUVLight)
  • uvLight – Typ: Int64, Einheit: 1/10 mW/m², Wertebereich: [0 bis 32800000]

Dieser Callback wird mit der Periode, wie gesetzt mit SetUVLightCallbackPeriod(), ausgelöst. Der Parameter ist die UV-Licht-Intensität des Sensors.

Der UVLightCallback Callback wird nur ausgelöst, wenn sich die Intensität seit der letzten Auslösung geändert hat.

event BrickletUVLight.UVLightReachedCallback sender, uvLight
Callback-Ausgabe:
  • sender – Typ: .NET Refnum (BrickletUVLight)
  • uvLight – Typ: Int64, Einheit: 1/10 mW/m², Wertebereich: [0 bis 32800000]

Dieser Callback wird ausgelöst, wenn der Schwellwert, wie von SetUVLightCallbackThreshold() gesetzt, erreicht wird. Der Parameter ist die UV-Licht-Intensität des Sensors.

Wenn der Schwellwert erreicht bleibt, wird der Callback mit der Periode, wie mit SetDebouncePeriod() gesetzt, ausgelöst.

Virtuelle Funktionen

Virtuelle Funktionen kommunizieren nicht mit dem Gerät selbst, sie arbeiten nur auf dem API Bindings Objekt. Dadurch können sie auch aufgerufen werden, ohne das das dazugehörige IP Connection Objekt verbunden ist.

BrickletUVLight.GetAPIVersion() apiVersion
Ausgabe:
  • apiVersion – Typ: Byte[3]
    • 0: major – Typ: Byte, Wertebereich: [0 bis 255]
    • 1: minor – Typ: Byte, Wertebereich: [0 bis 255]
    • 2: revision – Typ: Byte, Wertebereich: [0 bis 255]

Gibt die Version der API Definition zurück, die diese API Bindings implementieren. Dies ist weder die Release-Version dieser API Bindings noch gibt es in irgendeiner Weise Auskunft über den oder das repräsentierte(n) Brick oder Bricklet.

BrickletUVLight.GetResponseExpected(functionId) responseExpected
Eingabe:
  • functionId – Typ: Byte, Wertebereich: Siehe Konstanten
Ausgabe:
  • responseExpected – Typ: Boolean

Gibt das Response-Expected-Flag für die Funktion mit der angegebenen Funktions IDs zurück. Es ist true falls für die Funktion beim Aufruf eine Antwort erwartet wird, false andernfalls.

Für Getter-Funktionen ist diese Flag immer gesetzt und kann nicht entfernt werden, da diese Funktionen immer eine Antwort senden. Für Konfigurationsfunktionen für Callbacks ist es standardmäßig gesetzt, kann aber entfernt werden mittels SetResponseExpected(). Für Setter-Funktionen ist es standardmäßig nicht gesetzt, kann aber gesetzt werden.

Wenn das Response-Expected-Flag für eine Setter-Funktion gesetzt ist, können Timeouts und andere Fehlerfälle auch für Aufrufe dieser Setter-Funktion detektiert werden. Das Gerät sendet dann eine Antwort extra für diesen Zweck. Wenn das Flag für eine Setter-Funktion nicht gesetzt ist, dann wird keine Antwort vom Gerät gesendet und Fehler werden stillschweigend ignoriert, da sie nicht detektiert werden können.

Die folgenden Konstanten sind für diese Funktion verfügbar:

Für functionId:

  • BrickletUVLight.FUNCTION_SET_UV_LIGHT_CALLBACK_PERIOD = 2

  • BrickletUVLight.FUNCTION_SET_UV_LIGHT_CALLBACK_THRESHOLD = 4

  • BrickletUVLight.FUNCTION_SET_DEBOUNCE_PERIOD = 6

BrickletUVLight.SetResponseExpected(functionId, responseExpected)
Eingabe:
  • functionId – Typ: Byte, Wertebereich: Siehe Konstanten
  • responseExpected – Typ: Boolean

Ändert das Response-Expected-Flag für die Funktion mit der angegebenen Funktion IDs. Diese Flag kann nur für Setter-Funktionen (Standardwert: false) und Konfigurationsfunktionen für Callbacks (Standardwert: true) geändert werden. Für Getter-Funktionen ist das Flag immer gesetzt.

Wenn das Response-Expected-Flag für eine Setter-Funktion gesetzt ist, können Timeouts und andere Fehlerfälle auch für Aufrufe dieser Setter-Funktion detektiert werden. Das Gerät sendet dann eine Antwort extra für diesen Zweck. Wenn das Flag für eine Setter-Funktion nicht gesetzt ist, dann wird keine Antwort vom Gerät gesendet und Fehler werden stillschweigend ignoriert, da sie nicht detektiert werden können.

Die folgenden Konstanten sind für diese Funktion verfügbar:

Für functionId:

  • BrickletUVLight.FUNCTION_SET_UV_LIGHT_CALLBACK_PERIOD = 2

  • BrickletUVLight.FUNCTION_SET_UV_LIGHT_CALLBACK_THRESHOLD = 4

  • BrickletUVLight.FUNCTION_SET_DEBOUNCE_PERIOD = 6

BrickletUVLight.SetResponseExpectedAll(responseExpected)
Eingabe:
  • responseExpected – Typ: Boolean

Ändert das Response-Expected-Flag für alle Setter-Funktionen und Konfigurationsfunktionen für Callbacks diese Gerätes.

Konstanten

BrickletUVLight.DEVICE_IDENTIFIER

Diese Konstante wird verwendet um ein UV Light Bricklet zu identifizieren.

Die GetIdentity() Funktion und der IPConnection.EnumerateCallback Callback der IP Connection haben ein deviceIdentifier Parameter um den Typ des Bricks oder Bricklets anzugeben.

BrickletUVLight.DEVICE_DISPLAY_NAME

Diese Konstante stellt den Anzeigenamen eines UV Light Bricklet dar.