LabVIEW - Motion Detector Bricklet 2.0

Dies ist die Beschreibung der LabVIEW API Bindings für das Motion Detector Bricklet 2.0. Allgemeine Informationen über die Funktionen und technischen Spezifikationen des Motion Detector Bricklet 2.0 sind in dessen Hardware Beschreibung zusammengefasst.

Eine Installationanleitung für die LabVIEW API Bindings ist Teil deren allgemeine Beschreibung.

Beispiele

Der folgende Beispielcode ist Public Domain (CC0 1.0).

Indicator

Download (Example Indicator.vi)

LabVIEW Indicator Example

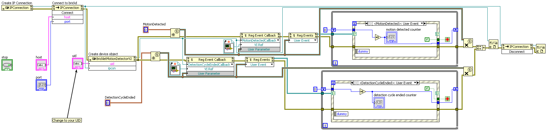
Callback

Download (Example Callback.vi), Download (Example Callback - DetectionCycleEnded Callback.vi), Download (Example Callback - MotionDetected Callback.vi)

LabVIEW Callback Example

API

Prinzipiell kann jede Funktion der LabVIEW Bindings, welche einen Wert ausgibt eine Tinkerforge.TimeoutException melden. Dieser Fehler wird gemeldet wenn das Gerät nicht antwortet. Wenn eine Kabelverbindung genutzt wird, ist es unwahrscheinlich, dass die Exception geworfen wird (unter der Annahme, dass das Gerät nicht abgesteckt wird). Bei einer drahtlosen Verbindung können Zeitüberschreitungen auftreten, sobald die Entfernung zum Gerät zu groß wird.

Der Namensraum für alle Brick/Bricklet Bindings und die IPConnection ist Tinkerforge.*.

Grundfunktionen

BrickletMotionDetectorV2(uid, ipcon) motionDetectorV2
Eingabe:
  • uid – Typ: String
  • ipcon – Typ: .NET Refnum (IPConnection)
Ausgabe:
  • motionDetectorV2 – Typ: .NET Refnum (BrickletMotionDetectorV2)

Erzeugt ein Objekt mit der eindeutigen Geräte ID uid. Dieses Objekt kann benutzt werden, nachdem die IP Connection verbunden ist.

BrickletMotionDetectorV2.GetMotionDetected() motion
Ausgabe:
  • motion – Typ: Byte, Wertebereich: Siehe Konstanten

Gibt 1 zurück wenn eine Bewegung detektiert wurde. 1 wird für ca. 1,8 Sekunden zurückgegeben bevor der Sensor wieder erneut eine Bewegung detektieren kann.

Die folgenden Konstanten sind für diese Funktion verfügbar:

Für motion:

  • BrickletMotionDetectorV2.MOTION_NOT_DETECTED = 0

  • BrickletMotionDetectorV2.MOTION_DETECTED = 1

BrickletMotionDetectorV2.SetSensitivity(sensitivity)
Eingabe:
  • sensitivity – Typ: Byte, Wertebereich: [0 bis 100], Standardwert: 50

Setzt die Empfindlichkeit des PIR Sensors. Bei maximaler Empfindlichkeit (100) kann das Bricklet Bewegung bin in ca. 12m Entfernung erkennen.

Die wirkliche Entfernung hängt von vielen Dingen in der Umgebung ab (z.B. Ruflektionen) und der Größe des zu erkennenden Objekts. Während eine große Person bei 10m erkannt werden kann, wird eine Katze vielleicht erst an 2m erkannt mit den gleichen Einstellungen.

Daher muss die passenden Empfindlichkeit je nach Anwendung experimentell bestimmt werden.

BrickletMotionDetectorV2.GetSensitivity() sensitivity
Ausgabe:
  • sensitivity – Typ: Byte, Wertebereich: [0 bis 100], Standardwert: 50

Gibt die Empfindlichkeit zurück, wie von SetSensitivity() gesetzt.

BrickletMotionDetectorV2.SetIndicator(topLeft, topRight, bottom)
Eingabe:
  • topLeft – Typ: Byte, Wertebereich: [0 bis 255], Standardwert: 0
  • topRight – Typ: Byte, Wertebereich: [0 bis 255], Standardwert: 0
  • bottom – Typ: Byte, Wertebereich: [0 bis 255], Standardwert: 0

Stellt die blaue Beleuchtung der Fresnel-Linse ein. Die Beleuchtung besteht aus drei LEDs. Die Helligkeit jeder LED kann einzeln mit einem 8-Bit Wert (0-255) eingestellt werden. Ein Wert von 0 deaktiviert die LED und ein Wert von 255 aktiviert die LED mit voller Helligkeit.

BrickletMotionDetectorV2.GetIndicator() topLeft, topRight, bottom
Ausgabe:
  • topLeft – Typ: Byte, Wertebereich: [0 bis 255], Standardwert: 0
  • topRight – Typ: Byte, Wertebereich: [0 bis 255], Standardwert: 0
  • bottom – Typ: Byte, Wertebereich: [0 bis 255], Standardwert: 0

Gibt die Indikatorkonfiguration zurück, wie von SetIndicator() gesetzt.

Fortgeschrittene Funktionen

BrickletMotionDetectorV2.GetSPITFPErrorCount() errorCountAckChecksum, errorCountMessageChecksum, errorCountFrame, errorCountOverflow
Ausgabe:
  • errorCountAckChecksum – Typ: Int64, Wertebereich: [0 bis 232 - 1]
  • errorCountMessageChecksum – Typ: Int64, Wertebereich: [0 bis 232 - 1]
  • errorCountFrame – Typ: Int64, Wertebereich: [0 bis 232 - 1]
  • errorCountOverflow – Typ: Int64, Wertebereich: [0 bis 232 - 1]

Gibt die Anzahl der Fehler die während der Kommunikation zwischen Brick und Bricklet aufgetreten sind zurück.

Die Fehler sind aufgeteilt in

  • ACK-Checksummen Fehler,

  • Message-Checksummen Fehler,

  • Framing Fehler und

  • Overflow Fehler.

Die Fehlerzähler sind für Fehler die auf der Seite des Bricklets auftreten. Jedes Brick hat eine ähnliche Funktion welche die Fehler auf Brickseite ausgibt.

BrickletMotionDetectorV2.SetStatusLEDConfig(config)
Eingabe:
  • config – Typ: Byte, Wertebereich: Siehe Konstanten, Standardwert: 3

Setzt die Konfiguration der Status-LED. Standardmäßig zeigt die LED die Kommunikationsdatenmenge an. Sie blinkt einmal auf pro 10 empfangenen Datenpaketen zwischen Brick und Bricklet.

Die LED kann auch permanent an/aus gestellt werden oder einen Herzschlag anzeigen.

Wenn das Bricklet sich im Bootlodermodus befindet ist die LED aus.

Die folgenden Konstanten sind für diese Funktion verfügbar:

Für config:

  • BrickletMotionDetectorV2.STATUS_LED_CONFIG_OFF = 0

  • BrickletMotionDetectorV2.STATUS_LED_CONFIG_ON = 1

  • BrickletMotionDetectorV2.STATUS_LED_CONFIG_SHOW_HEARTBEAT = 2

  • BrickletMotionDetectorV2.STATUS_LED_CONFIG_SHOW_STATUS = 3

BrickletMotionDetectorV2.GetStatusLEDConfig() config
Ausgabe:
  • config – Typ: Byte, Wertebereich: Siehe Konstanten, Standardwert: 3

Gibt die Konfiguration zurück, wie von SetStatusLEDConfig() gesetzt.

Die folgenden Konstanten sind für diese Funktion verfügbar:

Für config:

  • BrickletMotionDetectorV2.STATUS_LED_CONFIG_OFF = 0

  • BrickletMotionDetectorV2.STATUS_LED_CONFIG_ON = 1

  • BrickletMotionDetectorV2.STATUS_LED_CONFIG_SHOW_HEARTBEAT = 2

  • BrickletMotionDetectorV2.STATUS_LED_CONFIG_SHOW_STATUS = 3

BrickletMotionDetectorV2.GetChipTemperature() temperature
Ausgabe:
  • temperature – Typ: Int16, Einheit: 1 °C, Wertebereich: [-215 bis 215 - 1]

Gibt die Temperatur, gemessen im Mikrocontroller, aus. Der Rückgabewert ist nicht die Umgebungstemperatur.

Die Temperatur ist lediglich proportional zur echten Temperatur und hat eine hohe Ungenauigkeit. Daher beschränkt sich der praktische Nutzen auf die Indikation von Temperaturveränderungen.

BrickletMotionDetectorV2.Reset()

Ein Aufruf dieser Funktion setzt das Bricklet zurück. Nach einem Neustart sind alle Konfiguration verloren.

Nach dem Zurücksetzen ist es notwendig neue Objekte zu erzeugen, Funktionsaufrufe auf bestehenden führen zu undefiniertem Verhalten.

BrickletMotionDetectorV2.GetIdentity() uid, connectedUid, position, hardwareVersion, firmwareVersion, deviceIdentifier
Ausgabe:
  • uid – Typ: String, Länge: bis zu 8
  • connectedUid – Typ: String, Länge: bis zu 8
  • position – Typ: Char, Wertebereich: ["a" bis "h", "z"]
  • hardwareVersion – Typ: Byte[3]
    • 0: major – Typ: Byte, Wertebereich: [0 bis 255]
    • 1: minor – Typ: Byte, Wertebereich: [0 bis 255]
    • 2: revision – Typ: Byte, Wertebereich: [0 bis 255]
  • firmwareVersion – Typ: Byte[3]
    • 0: major – Typ: Byte, Wertebereich: [0 bis 255]
    • 1: minor – Typ: Byte, Wertebereich: [0 bis 255]
    • 2: revision – Typ: Byte, Wertebereich: [0 bis 255]
  • deviceIdentifier – Typ: Int32, Wertebereich: [0 bis 216 - 1]

Gibt die UID, die UID zu der das Bricklet verbunden ist, die Position, die Hard- und Firmware Version sowie den Device Identifier zurück.

Die Position ist 'a', 'b', 'c', 'd', 'e', 'f', 'g' oder 'h' (Bricklet Anschluss). Ein Bricklet hinter einem Isolator Bricklet ist immer an Position 'z'.

Eine Liste der Device Identifier Werte ist hier zu finden. Es gibt auch eine Konstante für den Device Identifier dieses Bricklets.

Callbacks

Callbacks können registriert werden um zeitkritische oder wiederkehrende Daten vom Gerät zu erhalten. Die Registrierung erfolgt indem eine Funktion einem Callback Property des Geräte Objektes zugewiesen wird. Die verfügbaren Callback Properties und ihre Parametertypen werden weiter unten beschrieben.

Bemerkung

Callbacks für wiederkehrende Ereignisse zu verwenden ist immer zu bevorzugen gegenüber der Verwendung von Abfragen. Es wird weniger USB-Bandbreite benutzt und die Latenz ist erheblich geringer, da es keine Paketumlaufzeit gibt.

event BrickletMotionDetectorV2.MotionDetectedCallback sender
Callback-Ausgabe:
  • sender – Typ: .NET Refnum (BrickletMotionDetectorV2)

Dieser Callback wird aufgerufen nachdem eine Bewegung detektiert wurde.

event BrickletMotionDetectorV2.DetectionCycleEndedCallback sender
Callback-Ausgabe:
  • sender – Typ: .NET Refnum (BrickletMotionDetectorV2)

Dieser Callback wird aufgerufen wenn ein Bewegungserkennungszyklus beendet ist. Wenn dieser Callback aufgerufen wurde kann wieder eine weitere Bewegung erkannt werden nach ungefähr 2 Sekunden.

Virtuelle Funktionen

Virtuelle Funktionen kommunizieren nicht mit dem Gerät selbst, sie arbeiten nur auf dem API Bindings Objekt. Dadurch können sie auch aufgerufen werden, ohne das das dazugehörige IP Connection Objekt verbunden ist.

BrickletMotionDetectorV2.GetAPIVersion() apiVersion
Ausgabe:
  • apiVersion – Typ: Byte[3]
    • 0: major – Typ: Byte, Wertebereich: [0 bis 255]
    • 1: minor – Typ: Byte, Wertebereich: [0 bis 255]
    • 2: revision – Typ: Byte, Wertebereich: [0 bis 255]

Gibt die Version der API Definition zurück, die diese API Bindings implementieren. Dies ist weder die Release-Version dieser API Bindings noch gibt es in irgendeiner Weise Auskunft über den oder das repräsentierte(n) Brick oder Bricklet.

BrickletMotionDetectorV2.GetResponseExpected(functionId) responseExpected
Eingabe:
  • functionId – Typ: Byte, Wertebereich: Siehe Konstanten
Ausgabe:
  • responseExpected – Typ: Boolean

Gibt das Response-Expected-Flag für die Funktion mit der angegebenen Funktions IDs zurück. Es ist true falls für die Funktion beim Aufruf eine Antwort erwartet wird, false andernfalls.

Für Getter-Funktionen ist diese Flag immer gesetzt und kann nicht entfernt werden, da diese Funktionen immer eine Antwort senden. Für Konfigurationsfunktionen für Callbacks ist es standardmäßig gesetzt, kann aber entfernt werden mittels SetResponseExpected(). Für Setter-Funktionen ist es standardmäßig nicht gesetzt, kann aber gesetzt werden.

Wenn das Response-Expected-Flag für eine Setter-Funktion gesetzt ist, können Timeouts und andere Fehlerfälle auch für Aufrufe dieser Setter-Funktion detektiert werden. Das Gerät sendet dann eine Antwort extra für diesen Zweck. Wenn das Flag für eine Setter-Funktion nicht gesetzt ist, dann wird keine Antwort vom Gerät gesendet und Fehler werden stillschweigend ignoriert, da sie nicht detektiert werden können.

Die folgenden Konstanten sind für diese Funktion verfügbar:

Für functionId:

  • BrickletMotionDetectorV2.FUNCTION_SET_SENSITIVITY = 2

  • BrickletMotionDetectorV2.FUNCTION_SET_INDICATOR = 4

  • BrickletMotionDetectorV2.FUNCTION_SET_WRITE_FIRMWARE_POINTER = 237

  • BrickletMotionDetectorV2.FUNCTION_SET_STATUS_LED_CONFIG = 239

  • BrickletMotionDetectorV2.FUNCTION_RESET = 243

  • BrickletMotionDetectorV2.FUNCTION_WRITE_UID = 248

BrickletMotionDetectorV2.SetResponseExpected(functionId, responseExpected)
Eingabe:
  • functionId – Typ: Byte, Wertebereich: Siehe Konstanten
  • responseExpected – Typ: Boolean

Ändert das Response-Expected-Flag für die Funktion mit der angegebenen Funktion IDs. Diese Flag kann nur für Setter-Funktionen (Standardwert: false) und Konfigurationsfunktionen für Callbacks (Standardwert: true) geändert werden. Für Getter-Funktionen ist das Flag immer gesetzt.

Wenn das Response-Expected-Flag für eine Setter-Funktion gesetzt ist, können Timeouts und andere Fehlerfälle auch für Aufrufe dieser Setter-Funktion detektiert werden. Das Gerät sendet dann eine Antwort extra für diesen Zweck. Wenn das Flag für eine Setter-Funktion nicht gesetzt ist, dann wird keine Antwort vom Gerät gesendet und Fehler werden stillschweigend ignoriert, da sie nicht detektiert werden können.

Die folgenden Konstanten sind für diese Funktion verfügbar:

Für functionId:

  • BrickletMotionDetectorV2.FUNCTION_SET_SENSITIVITY = 2

  • BrickletMotionDetectorV2.FUNCTION_SET_INDICATOR = 4

  • BrickletMotionDetectorV2.FUNCTION_SET_WRITE_FIRMWARE_POINTER = 237

  • BrickletMotionDetectorV2.FUNCTION_SET_STATUS_LED_CONFIG = 239

  • BrickletMotionDetectorV2.FUNCTION_RESET = 243

  • BrickletMotionDetectorV2.FUNCTION_WRITE_UID = 248

BrickletMotionDetectorV2.SetResponseExpectedAll(responseExpected)
Eingabe:
  • responseExpected – Typ: Boolean

Ändert das Response-Expected-Flag für alle Setter-Funktionen und Konfigurationsfunktionen für Callbacks diese Gerätes.

Interne Funktionen

Interne Funktionen werden für Wartungsaufgaben, wie zum Beispiel das Flashen einer neuen Firmware oder das Ändern der UID eines Bricklets, verwendet. Diese Aufgaben sollten mit Brick Viewer durchgeführt werden, anstelle die internen Funktionen direkt zu verwenden.

BrickletMotionDetectorV2.SetBootloaderMode(mode) status
Eingabe:
  • mode – Typ: Byte, Wertebereich: Siehe Konstanten
Ausgabe:
  • status – Typ: Byte, Wertebereich: Siehe Konstanten

Setzt den Bootloader-Modus und gibt den Status zurück nachdem die Modusänderungsanfrage bearbeitet wurde.

Mit dieser Funktion ist es möglich vom Bootloader- in den Firmware-Modus zu wechseln und umgekehrt. Ein Welchsel vom Bootloader- in der den Firmware-Modus ist nur möglich wenn Entry-Funktion, Device Identifier und CRC vorhanden und korrekt sind.

Diese Funktion wird vom Brick Viewer während des Flashens benutzt. In einem normalem Nutzerprogramm sollte diese Funktion nicht benötigt werden.

Die folgenden Konstanten sind für diese Funktion verfügbar:

Für mode:

  • BrickletMotionDetectorV2.BOOTLOADER_MODE_BOOTLOADER = 0

  • BrickletMotionDetectorV2.BOOTLOADER_MODE_FIRMWARE = 1

  • BrickletMotionDetectorV2.BOOTLOADER_MODE_BOOTLOADER_WAIT_FOR_REBOOT = 2

  • BrickletMotionDetectorV2.BOOTLOADER_MODE_FIRMWARE_WAIT_FOR_REBOOT = 3

  • BrickletMotionDetectorV2.BOOTLOADER_MODE_FIRMWARE_WAIT_FOR_ERASE_AND_REBOOT = 4

Für status:

  • BrickletMotionDetectorV2.BOOTLOADER_STATUS_OK = 0

  • BrickletMotionDetectorV2.BOOTLOADER_STATUS_INVALID_MODE = 1

  • BrickletMotionDetectorV2.BOOTLOADER_STATUS_NO_CHANGE = 2

  • BrickletMotionDetectorV2.BOOTLOADER_STATUS_ENTRY_FUNCTION_NOT_PRESENT = 3

  • BrickletMotionDetectorV2.BOOTLOADER_STATUS_DEVICE_IDENTIFIER_INCORRECT = 4

  • BrickletMotionDetectorV2.BOOTLOADER_STATUS_CRC_MISMATCH = 5

BrickletMotionDetectorV2.GetBootloaderMode() mode
Ausgabe:
  • mode – Typ: Byte, Wertebereich: Siehe Konstanten

Gibt den aktuellen Bootloader-Modus zurück, siehe SetBootloaderMode().

Die folgenden Konstanten sind für diese Funktion verfügbar:

Für mode:

  • BrickletMotionDetectorV2.BOOTLOADER_MODE_BOOTLOADER = 0

  • BrickletMotionDetectorV2.BOOTLOADER_MODE_FIRMWARE = 1

  • BrickletMotionDetectorV2.BOOTLOADER_MODE_BOOTLOADER_WAIT_FOR_REBOOT = 2

  • BrickletMotionDetectorV2.BOOTLOADER_MODE_FIRMWARE_WAIT_FOR_REBOOT = 3

  • BrickletMotionDetectorV2.BOOTLOADER_MODE_FIRMWARE_WAIT_FOR_ERASE_AND_REBOOT = 4

BrickletMotionDetectorV2.SetWriteFirmwarePointer(pointer)
Eingabe:
  • pointer – Typ: Int64, Einheit: 1 B, Wertebereich: [0 bis 232 - 1]

Setzt den Firmware-Pointer für WriteFirmware(). Der Pointer muss um je 64 Byte erhöht werden. Die Daten werden alle 4 Datenblöcke in den Flash geschrieben (4 Datenblöcke entsprechen einer Page mit 256 Byte).

Diese Funktion wird vom Brick Viewer während des Flashens benutzt. In einem normalem Nutzerprogramm sollte diese Funktion nicht benötigt werden.

BrickletMotionDetectorV2.WriteFirmware(data) status
Eingabe:
  • data – Typ: Byte[64], Wertebereich: [0 bis 255]
Ausgabe:
  • status – Typ: Byte, Wertebereich: [0 bis 255]

Schreibt 64 Bytes Firmware an die Position die vorher von SetWriteFirmwarePointer() gesetzt wurde. Die Firmware wird alle 4 Datenblöcke in den Flash geschrieben.

Eine Firmware kann nur im Bootloader-Mode geschrieben werden.

Diese Funktion wird vom Brick Viewer während des Flashens benutzt. In einem normalem Nutzerprogramm sollte diese Funktion nicht benötigt werden.

BrickletMotionDetectorV2.WriteUID(uid)
Eingabe:
  • uid – Typ: Int64, Wertebereich: [0 bis 232 - 1]

Schreibt eine neue UID in den Flash. Die UID muss zuerst vom Base58 encodierten String in einen Integer decodiert werden.

Wir empfehlen die Nutzung des Brick Viewers zum ändern der UID.

BrickletMotionDetectorV2.ReadUID() uid
Ausgabe:
  • uid – Typ: Int64, Wertebereich: [0 bis 232 - 1]

Gibt die aktuelle UID als Integer zurück. Dieser Integer kann als Base58 encodiert werden um an den üblichen UID-String zu gelangen.

Konstanten

BrickletMotionDetectorV2.DEVICE_IDENTIFIER

Diese Konstante wird verwendet um ein Motion Detector Bricklet 2.0 zu identifizieren.

Die GetIdentity() Funktion und der IPConnection.EnumerateCallback Callback der IP Connection haben ein deviceIdentifier Parameter um den Typ des Bricks oder Bricklets anzugeben.

BrickletMotionDetectorV2.DEVICE_DISPLAY_NAME

Diese Konstante stellt den Anzeigenamen eines Motion Detector Bricklet 2.0 dar.