LabVIEW - Dual Button Bricklet 2.0

This is the description of the LabVIEW API bindings for the Dual Button Bricklet 2.0. General information and technical specifications for the Dual Button Bricklet 2.0 are summarized in its hardware description.

An installation guide for the LabVIEW API bindings is part of their general description.

Examples

The example code below is Public Domain (CC0 1.0).

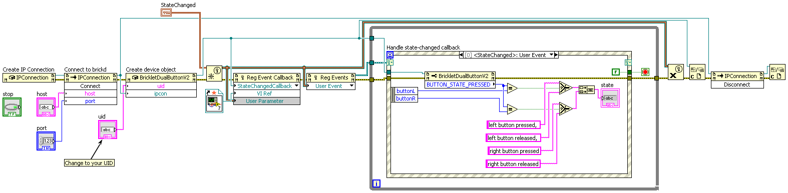
Callback

Download (Example Callback.vi), Download (Example Callback - StateChanged Callback.vi)

LabVIEW Callback Example

API

Generally, every function of the LabVIEW bindings that outputs a value can report a Tinkerforge.TimeoutException. This error gets reported if the device did not respond. If a cable based connection is used, it is unlikely that this exception gets thrown (assuming nobody plugs the device out). However, if a wireless connection is used, timeouts will occur if the distance to the device gets too big.

The namespace for all Brick/Bricklet bindings and the IPConnection is Tinkerforge.*.

Basic Functions

BrickletDualButtonV2(uid, ipcon) dualButtonV2
Input:
  • uid – Type: String
  • ipcon – Type: .NET Refnum (IPConnection)
Output:
  • dualButtonV2 – Type: .NET Refnum (BrickletDualButtonV2)

Creates an object with the unique device ID uid. This object can then be used after the IP Connection is connected.

BrickletDualButtonV2.SetLEDState(ledL, ledR)
Input:
  • ledL – Type: Byte, Range: See constants, Default: 1
  • ledR – Type: Byte, Range: See constants, Default: 1

Sets the state of the LEDs. Possible states are:

  • 0 = AutoToggleOn: Enables auto toggle with initially enabled LED.

  • 1 = AutoToggleOff: Activates auto toggle with initially disabled LED.

  • 2 = On: Enables LED (auto toggle is disabled).

  • 3 = Off: Disables LED (auto toggle is disabled).

In auto toggle mode the LED is toggled automatically at each press of a button.

If you just want to set one of the LEDs and don't know the current state of the other LED, you can get the state with GetLEDState() or you can use SetSelectedLEDState().

The following constants are available for this function:

For ledL:

  • BrickletDualButtonV2.LED_STATE_AUTO_TOGGLE_ON = 0

  • BrickletDualButtonV2.LED_STATE_AUTO_TOGGLE_OFF = 1

  • BrickletDualButtonV2.LED_STATE_ON = 2

  • BrickletDualButtonV2.LED_STATE_OFF = 3

For ledR:

  • BrickletDualButtonV2.LED_STATE_AUTO_TOGGLE_ON = 0

  • BrickletDualButtonV2.LED_STATE_AUTO_TOGGLE_OFF = 1

  • BrickletDualButtonV2.LED_STATE_ON = 2

  • BrickletDualButtonV2.LED_STATE_OFF = 3

BrickletDualButtonV2.GetLEDState() ledL, ledR
Output:
  • ledL – Type: Byte, Range: See constants, Default: 1
  • ledR – Type: Byte, Range: See constants, Default: 1

Returns the current state of the LEDs, as set by SetLEDState().

The following constants are available for this function:

For ledL:

  • BrickletDualButtonV2.LED_STATE_AUTO_TOGGLE_ON = 0

  • BrickletDualButtonV2.LED_STATE_AUTO_TOGGLE_OFF = 1

  • BrickletDualButtonV2.LED_STATE_ON = 2

  • BrickletDualButtonV2.LED_STATE_OFF = 3

For ledR:

  • BrickletDualButtonV2.LED_STATE_AUTO_TOGGLE_ON = 0

  • BrickletDualButtonV2.LED_STATE_AUTO_TOGGLE_OFF = 1

  • BrickletDualButtonV2.LED_STATE_ON = 2

  • BrickletDualButtonV2.LED_STATE_OFF = 3

BrickletDualButtonV2.GetButtonState() buttonL, buttonR
Output:
  • buttonL – Type: Byte, Range: See constants
  • buttonR – Type: Byte, Range: See constants

Returns the current state for both buttons. Possible states are:

  • 0 = pressed

  • 1 = released

The following constants are available for this function:

For buttonL:

  • BrickletDualButtonV2.BUTTON_STATE_PRESSED = 0

  • BrickletDualButtonV2.BUTTON_STATE_RELEASED = 1

For buttonR:

  • BrickletDualButtonV2.BUTTON_STATE_PRESSED = 0

  • BrickletDualButtonV2.BUTTON_STATE_RELEASED = 1

Advanced Functions

BrickletDualButtonV2.SetSelectedLEDState(led, state)
Input:
  • led – Type: Byte, Range: See constants
  • state – Type: Byte, Range: See constants

Sets the state of the selected LED.

The other LED remains untouched.

The following constants are available for this function:

For led:

  • BrickletDualButtonV2.LED_LEFT = 0

  • BrickletDualButtonV2.LED_RIGHT = 1

For state:

  • BrickletDualButtonV2.LED_STATE_AUTO_TOGGLE_ON = 0

  • BrickletDualButtonV2.LED_STATE_AUTO_TOGGLE_OFF = 1

  • BrickletDualButtonV2.LED_STATE_ON = 2

  • BrickletDualButtonV2.LED_STATE_OFF = 3

BrickletDualButtonV2.GetSPITFPErrorCount() errorCountAckChecksum, errorCountMessageChecksum, errorCountFrame, errorCountOverflow
Output:
  • errorCountAckChecksum – Type: Int64, Range: [0 to 232 - 1]
  • errorCountMessageChecksum – Type: Int64, Range: [0 to 232 - 1]
  • errorCountFrame – Type: Int64, Range: [0 to 232 - 1]
  • errorCountOverflow – Type: Int64, Range: [0 to 232 - 1]

Returns the error count for the communication between Brick and Bricklet.

The errors are divided into

  • ACK checksum errors,

  • message checksum errors,

  • framing errors and

  • overflow errors.

The errors counts are for errors that occur on the Bricklet side. All Bricks have a similar function that returns the errors on the Brick side.

BrickletDualButtonV2.SetStatusLEDConfig(config)
Input:
  • config – Type: Byte, Range: See constants, Default: 3

Sets the status LED configuration. By default the LED shows communication traffic between Brick and Bricklet, it flickers once for every 10 received data packets.

You can also turn the LED permanently on/off or show a heartbeat.

If the Bricklet is in bootloader mode, the LED is will show heartbeat by default.

The following constants are available for this function:

For config:

  • BrickletDualButtonV2.STATUS_LED_CONFIG_OFF = 0

  • BrickletDualButtonV2.STATUS_LED_CONFIG_ON = 1

  • BrickletDualButtonV2.STATUS_LED_CONFIG_SHOW_HEARTBEAT = 2

  • BrickletDualButtonV2.STATUS_LED_CONFIG_SHOW_STATUS = 3

BrickletDualButtonV2.GetStatusLEDConfig() config
Output:
  • config – Type: Byte, Range: See constants, Default: 3

Returns the configuration as set by SetStatusLEDConfig()

The following constants are available for this function:

For config:

  • BrickletDualButtonV2.STATUS_LED_CONFIG_OFF = 0

  • BrickletDualButtonV2.STATUS_LED_CONFIG_ON = 1

  • BrickletDualButtonV2.STATUS_LED_CONFIG_SHOW_HEARTBEAT = 2

  • BrickletDualButtonV2.STATUS_LED_CONFIG_SHOW_STATUS = 3

BrickletDualButtonV2.GetChipTemperature() temperature
Output:
  • temperature – Type: Int16, Unit: 1 °C, Range: [-215 to 215 - 1]

Returns the temperature as measured inside the microcontroller. The value returned is not the ambient temperature!

The temperature is only proportional to the real temperature and it has bad accuracy. Practically it is only useful as an indicator for temperature changes.

BrickletDualButtonV2.Reset()

Calling this function will reset the Bricklet. All configurations will be lost.

After a reset you have to create new device objects, calling functions on the existing ones will result in undefined behavior!

BrickletDualButtonV2.GetIdentity() uid, connectedUid, position, hardwareVersion, firmwareVersion, deviceIdentifier
Output:
  • uid – Type: String, Length: up to 8
  • connectedUid – Type: String, Length: up to 8
  • position – Type: Char, Range: ["a" to "h", "z"]
  • hardwareVersion – Type: Byte[3]
    • 0: major – Type: Byte, Range: [0 to 255]
    • 1: minor – Type: Byte, Range: [0 to 255]
    • 2: revision – Type: Byte, Range: [0 to 255]
  • firmwareVersion – Type: Byte[3]
    • 0: major – Type: Byte, Range: [0 to 255]
    • 1: minor – Type: Byte, Range: [0 to 255]
    • 2: revision – Type: Byte, Range: [0 to 255]
  • deviceIdentifier – Type: Int32, Range: [0 to 216 - 1]

Returns the UID, the UID where the Bricklet is connected to, the position, the hardware and firmware version as well as the device identifier.

The position can be 'a', 'b', 'c', 'd', 'e', 'f', 'g' or 'h' (Bricklet Port). A Bricklet connected to an Isolator Bricklet is always at position 'z'.

The device identifier numbers can be found here. There is also a constant for the device identifier of this Bricklet.

Callback Configuration Functions

BrickletDualButtonV2.SetStateChangedCallbackConfiguration(enabled)
Input:
  • enabled – Type: Boolean, Default: F

If you enable this callback, the StateChangedCallback callback is triggered every time a button is pressed/released

BrickletDualButtonV2.GetStateChangedCallbackConfiguration() enabled
Output:
  • enabled – Type: Boolean, Default: F

Returns the configuration as set by SetStateChangedCallbackConfiguration().

Callbacks

Callbacks can be registered to receive time critical or recurring data from the device. The registration is done by assigning a function to a callback property of the device object. The available callback property and their type of parameters are described below.

Note

Using callbacks for recurring events is always preferred compared to using getters. It will use less USB bandwidth and the latency will be a lot better, since there is no round trip time.

event BrickletDualButtonV2.StateChangedCallback sender, buttonL, buttonR, ledL, ledR
Callback Output:
  • sender – Type: .NET Refnum (BrickletDualButtonV2)
  • buttonL – Type: Byte, Range: See constants
  • buttonR – Type: Byte, Range: See constants
  • ledL – Type: Byte, Range: See constants
  • ledR – Type: Byte, Range: See constants

This callback is called whenever a button is pressed.

Possible states for buttons are:

  • 0 = pressed

  • 1 = released

Possible states for LEDs are:

  • 0 = AutoToggleOn: Auto toggle enabled and LED on.

  • 1 = AutoToggleOff: Auto toggle enabled and LED off.

  • 2 = On: LED on (auto toggle is disabled).

  • 3 = Off: LED off (auto toggle is disabled).

This callback can be enabled with SetStateChangedCallbackConfiguration().

The following constants are available for this function:

For buttonL:

  • BrickletDualButtonV2.BUTTON_STATE_PRESSED = 0

  • BrickletDualButtonV2.BUTTON_STATE_RELEASED = 1

For buttonR:

  • BrickletDualButtonV2.BUTTON_STATE_PRESSED = 0

  • BrickletDualButtonV2.BUTTON_STATE_RELEASED = 1

For ledL:

  • BrickletDualButtonV2.LED_STATE_AUTO_TOGGLE_ON = 0

  • BrickletDualButtonV2.LED_STATE_AUTO_TOGGLE_OFF = 1

  • BrickletDualButtonV2.LED_STATE_ON = 2

  • BrickletDualButtonV2.LED_STATE_OFF = 3

For ledR:

  • BrickletDualButtonV2.LED_STATE_AUTO_TOGGLE_ON = 0

  • BrickletDualButtonV2.LED_STATE_AUTO_TOGGLE_OFF = 1

  • BrickletDualButtonV2.LED_STATE_ON = 2

  • BrickletDualButtonV2.LED_STATE_OFF = 3

Virtual Functions

Virtual functions don't communicate with the device itself, but operate only on the API bindings device object. They can be called without the corresponding IP Connection object being connected.

BrickletDualButtonV2.GetAPIVersion() apiVersion
Output:
  • apiVersion – Type: Byte[3]
    • 0: major – Type: Byte, Range: [0 to 255]
    • 1: minor – Type: Byte, Range: [0 to 255]
    • 2: revision – Type: Byte, Range: [0 to 255]

Returns the version of the API definition implemented by this API bindings. This is neither the release version of this API bindings nor does it tell you anything about the represented Brick or Bricklet.

BrickletDualButtonV2.GetResponseExpected(functionId) responseExpected
Input:
  • functionId – Type: Byte, Range: See constants
Output:
  • responseExpected – Type: Boolean

Returns the response expected flag for the function specified by the function ID parameter. It is true if the function is expected to send a response, false otherwise.

For getter functions this is enabled by default and cannot be disabled, because those functions will always send a response. For callback configuration functions it is enabled by default too, but can be disabled by SetResponseExpected(). For setter functions it is disabled by default and can be enabled.

Enabling the response expected flag for a setter function allows to detect timeouts and other error conditions calls of this setter as well. The device will then send a response for this purpose. If this flag is disabled for a setter function then no response is sent and errors are silently ignored, because they cannot be detected.

The following constants are available for this function:

For functionId:

  • BrickletDualButtonV2.FUNCTION_SET_LED_STATE = 1

  • BrickletDualButtonV2.FUNCTION_SET_SELECTED_LED_STATE = 5

  • BrickletDualButtonV2.FUNCTION_SET_STATE_CHANGED_CALLBACK_CONFIGURATION = 6

  • BrickletDualButtonV2.FUNCTION_SET_WRITE_FIRMWARE_POINTER = 237

  • BrickletDualButtonV2.FUNCTION_SET_STATUS_LED_CONFIG = 239

  • BrickletDualButtonV2.FUNCTION_RESET = 243

  • BrickletDualButtonV2.FUNCTION_WRITE_UID = 248

BrickletDualButtonV2.SetResponseExpected(functionId, responseExpected)
Input:
  • functionId – Type: Byte, Range: See constants
  • responseExpected – Type: Boolean

Changes the response expected flag of the function specified by the function ID parameter. This flag can only be changed for setter (default value: false) and callback configuration functions (default value: true). For getter functions it is always enabled.

Enabling the response expected flag for a setter function allows to detect timeouts and other error conditions calls of this setter as well. The device will then send a response for this purpose. If this flag is disabled for a setter function then no response is sent and errors are silently ignored, because they cannot be detected.

The following constants are available for this function:

For functionId:

  • BrickletDualButtonV2.FUNCTION_SET_LED_STATE = 1

  • BrickletDualButtonV2.FUNCTION_SET_SELECTED_LED_STATE = 5

  • BrickletDualButtonV2.FUNCTION_SET_STATE_CHANGED_CALLBACK_CONFIGURATION = 6

  • BrickletDualButtonV2.FUNCTION_SET_WRITE_FIRMWARE_POINTER = 237

  • BrickletDualButtonV2.FUNCTION_SET_STATUS_LED_CONFIG = 239

  • BrickletDualButtonV2.FUNCTION_RESET = 243

  • BrickletDualButtonV2.FUNCTION_WRITE_UID = 248

BrickletDualButtonV2.SetResponseExpectedAll(responseExpected)
Input:
  • responseExpected – Type: Boolean

Changes the response expected flag for all setter and callback configuration functions of this device at once.

Internal Functions

Internal functions are used for maintenance tasks such as flashing a new firmware of changing the UID of a Bricklet. These task should be performed using Brick Viewer instead of using the internal functions directly.

BrickletDualButtonV2.SetBootloaderMode(mode) status
Input:
  • mode – Type: Byte, Range: See constants
Output:
  • status – Type: Byte, Range: See constants

Sets the bootloader mode and returns the status after the requested mode change was instigated.

You can change from bootloader mode to firmware mode and vice versa. A change from bootloader mode to firmware mode will only take place if the entry function, device identifier and CRC are present and correct.

This function is used by Brick Viewer during flashing. It should not be necessary to call it in a normal user program.

The following constants are available for this function:

For mode:

  • BrickletDualButtonV2.BOOTLOADER_MODE_BOOTLOADER = 0

  • BrickletDualButtonV2.BOOTLOADER_MODE_FIRMWARE = 1

  • BrickletDualButtonV2.BOOTLOADER_MODE_BOOTLOADER_WAIT_FOR_REBOOT = 2

  • BrickletDualButtonV2.BOOTLOADER_MODE_FIRMWARE_WAIT_FOR_REBOOT = 3

  • BrickletDualButtonV2.BOOTLOADER_MODE_FIRMWARE_WAIT_FOR_ERASE_AND_REBOOT = 4

For status:

  • BrickletDualButtonV2.BOOTLOADER_STATUS_OK = 0

  • BrickletDualButtonV2.BOOTLOADER_STATUS_INVALID_MODE = 1

  • BrickletDualButtonV2.BOOTLOADER_STATUS_NO_CHANGE = 2

  • BrickletDualButtonV2.BOOTLOADER_STATUS_ENTRY_FUNCTION_NOT_PRESENT = 3

  • BrickletDualButtonV2.BOOTLOADER_STATUS_DEVICE_IDENTIFIER_INCORRECT = 4

  • BrickletDualButtonV2.BOOTLOADER_STATUS_CRC_MISMATCH = 5

BrickletDualButtonV2.GetBootloaderMode() mode
Output:
  • mode – Type: Byte, Range: See constants

Returns the current bootloader mode, see SetBootloaderMode().

The following constants are available for this function:

For mode:

  • BrickletDualButtonV2.BOOTLOADER_MODE_BOOTLOADER = 0

  • BrickletDualButtonV2.BOOTLOADER_MODE_FIRMWARE = 1

  • BrickletDualButtonV2.BOOTLOADER_MODE_BOOTLOADER_WAIT_FOR_REBOOT = 2

  • BrickletDualButtonV2.BOOTLOADER_MODE_FIRMWARE_WAIT_FOR_REBOOT = 3

  • BrickletDualButtonV2.BOOTLOADER_MODE_FIRMWARE_WAIT_FOR_ERASE_AND_REBOOT = 4

BrickletDualButtonV2.SetWriteFirmwarePointer(pointer)
Input:
  • pointer – Type: Int64, Unit: 1 B, Range: [0 to 232 - 1]

Sets the firmware pointer for WriteFirmware(). The pointer has to be increased by chunks of size 64. The data is written to flash every 4 chunks (which equals to one page of size 256).

This function is used by Brick Viewer during flashing. It should not be necessary to call it in a normal user program.

BrickletDualButtonV2.WriteFirmware(data) status
Input:
  • data – Type: Byte[64], Range: [0 to 255]
Output:
  • status – Type: Byte, Range: [0 to 255]

Writes 64 Bytes of firmware at the position as written by SetWriteFirmwarePointer() before. The firmware is written to flash every 4 chunks.

You can only write firmware in bootloader mode.

This function is used by Brick Viewer during flashing. It should not be necessary to call it in a normal user program.

BrickletDualButtonV2.WriteUID(uid)
Input:
  • uid – Type: Int64, Range: [0 to 232 - 1]

Writes a new UID into flash. If you want to set a new UID you have to decode the Base58 encoded UID string into an integer first.

We recommend that you use Brick Viewer to change the UID.

BrickletDualButtonV2.ReadUID() uid
Output:
  • uid – Type: Int64, Range: [0 to 232 - 1]

Returns the current UID as an integer. Encode as Base58 to get the usual string version.

Constants

BrickletDualButtonV2.DEVICE_IDENTIFIER

This constant is used to identify a Dual Button Bricklet 2.0.

The GetIdentity() function and the IPConnection.EnumerateCallback callback of the IP Connection have a deviceIdentifier parameter to specify the Brick's or Bricklet's type.

BrickletDualButtonV2.DEVICE_DISPLAY_NAME

This constant represents the human readable name of a Dual Button Bricklet 2.0.