LabVIEW - RS232 Bricklet

This is the description of the LabVIEW API bindings for the RS232 Bricklet. General information and technical specifications for the RS232 Bricklet are summarized in its hardware description.

An installation guide for the LabVIEW API bindings is part of their general description.

Examples

The example code below is Public Domain (CC0 1.0).

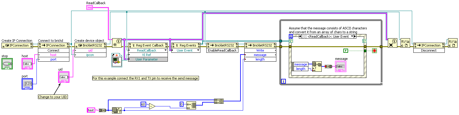
Loopback

Download (Example Loopback.vi), Download (Example Loopback - ReadCallback Callback.vi)

LabVIEW Loopback Example

API

Generally, every function of the LabVIEW bindings that outputs a value can report a Tinkerforge.TimeoutException. This error gets reported if the device did not respond. If a cable based connection is used, it is unlikely that this exception gets thrown (assuming nobody plugs the device out). However, if a wireless connection is used, timeouts will occur if the distance to the device gets too big.

The namespace for all Brick/Bricklet bindings and the IPConnection is Tinkerforge.*.

Basic Functions

BrickletRS232(uid, ipcon) rs232
Input:
  • uid – Type: String
  • ipcon – Type: .NET Refnum (IPConnection)
Output:
  • rs232 – Type: .NET Refnum (BrickletRS232)

Creates an object with the unique device ID uid. This object can then be used after the IP Connection is connected.

BrickletRS232.Write(message, length) written
Input:
  • message – Type: Char[60]
  • length – Type: Byte, Range: [0 to 60]
Output:
  • written – Type: Byte, Range: [0 to 60]

Writes a string of up to 60 characters to the RS232 interface. The string can be binary data, ASCII or similar is not necessary.

The length of the string has to be given as an additional parameter.

The return value is the number of bytes that could be written.

See SetConfiguration() for configuration possibilities regarding baudrate, parity and so on.

BrickletRS232.Read() message, length
Output:
  • message – Type: Char[60]
  • length – Type: Byte, Range: [0 to 60]

Returns the currently buffered message. The maximum length of message is 60. If the returned length is 0, no new data was available.

Instead of polling with this function, you can also use callbacks. See EnableReadCallback() and ReadCallback callback.

BrickletRS232.SetConfiguration(baudrate, parity, stopbits, wordlength, hardwareFlowcontrol, softwareFlowcontrol)
Input:
  • baudrate – Type: Byte, Range: See constants, Default: 11
  • parity – Type: Byte, Range: See constants, Default: 0
  • stopbits – Type: Byte, Range: See constants, Default: 1
  • wordlength – Type: Byte, Range: See constants, Default: 8
  • hardwareFlowcontrol – Type: Byte, Range: See constants, Default: 0
  • softwareFlowcontrol – Type: Byte, Range: See constants, Default: 0

Sets the configuration for the RS232 communication.

Hard-/Software flow control can either be on or off but not both simultaneously on.

The following constants are available for this function:

For baudrate:

  • BrickletRS232.BAUDRATE_300 = 0

  • BrickletRS232.BAUDRATE_600 = 1

  • BrickletRS232.BAUDRATE_1200 = 2

  • BrickletRS232.BAUDRATE_2400 = 3

  • BrickletRS232.BAUDRATE_4800 = 4

  • BrickletRS232.BAUDRATE_9600 = 5

  • BrickletRS232.BAUDRATE_14400 = 6

  • BrickletRS232.BAUDRATE_19200 = 7

  • BrickletRS232.BAUDRATE_28800 = 8

  • BrickletRS232.BAUDRATE_38400 = 9

  • BrickletRS232.BAUDRATE_57600 = 10

  • BrickletRS232.BAUDRATE_115200 = 11

  • BrickletRS232.BAUDRATE_230400 = 12

For parity:

  • BrickletRS232.PARITY_NONE = 0

  • BrickletRS232.PARITY_ODD = 1

  • BrickletRS232.PARITY_EVEN = 2

  • BrickletRS232.PARITY_FORCED_PARITY_1 = 3

  • BrickletRS232.PARITY_FORCED_PARITY_0 = 4

For stopbits:

  • BrickletRS232.STOPBITS_1 = 1

  • BrickletRS232.STOPBITS_2 = 2

For wordlength:

  • BrickletRS232.WORDLENGTH_5 = 5

  • BrickletRS232.WORDLENGTH_6 = 6

  • BrickletRS232.WORDLENGTH_7 = 7

  • BrickletRS232.WORDLENGTH_8 = 8

For hardwareFlowcontrol:

  • BrickletRS232.HARDWARE_FLOWCONTROL_OFF = 0

  • BrickletRS232.HARDWARE_FLOWCONTROL_ON = 1

For softwareFlowcontrol:

  • BrickletRS232.SOFTWARE_FLOWCONTROL_OFF = 0

  • BrickletRS232.SOFTWARE_FLOWCONTROL_ON = 1

BrickletRS232.GetConfiguration() baudrate, parity, stopbits, wordlength, hardwareFlowcontrol, softwareFlowcontrol
Output:
  • baudrate – Type: Byte, Range: See constants, Default: 11
  • parity – Type: Byte, Range: See constants, Default: 0
  • stopbits – Type: Byte, Range: See constants, Default: 1
  • wordlength – Type: Byte, Range: See constants, Default: 8
  • hardwareFlowcontrol – Type: Byte, Range: See constants, Default: 0
  • softwareFlowcontrol – Type: Byte, Range: See constants, Default: 0

Returns the configuration as set by SetConfiguration().

The following constants are available for this function:

For baudrate:

  • BrickletRS232.BAUDRATE_300 = 0

  • BrickletRS232.BAUDRATE_600 = 1

  • BrickletRS232.BAUDRATE_1200 = 2

  • BrickletRS232.BAUDRATE_2400 = 3

  • BrickletRS232.BAUDRATE_4800 = 4

  • BrickletRS232.BAUDRATE_9600 = 5

  • BrickletRS232.BAUDRATE_14400 = 6

  • BrickletRS232.BAUDRATE_19200 = 7

  • BrickletRS232.BAUDRATE_28800 = 8

  • BrickletRS232.BAUDRATE_38400 = 9

  • BrickletRS232.BAUDRATE_57600 = 10

  • BrickletRS232.BAUDRATE_115200 = 11

  • BrickletRS232.BAUDRATE_230400 = 12

For parity:

  • BrickletRS232.PARITY_NONE = 0

  • BrickletRS232.PARITY_ODD = 1

  • BrickletRS232.PARITY_EVEN = 2

  • BrickletRS232.PARITY_FORCED_PARITY_1 = 3

  • BrickletRS232.PARITY_FORCED_PARITY_0 = 4

For stopbits:

  • BrickletRS232.STOPBITS_1 = 1

  • BrickletRS232.STOPBITS_2 = 2

For wordlength:

  • BrickletRS232.WORDLENGTH_5 = 5

  • BrickletRS232.WORDLENGTH_6 = 6

  • BrickletRS232.WORDLENGTH_7 = 7

  • BrickletRS232.WORDLENGTH_8 = 8

For hardwareFlowcontrol:

  • BrickletRS232.HARDWARE_FLOWCONTROL_OFF = 0

  • BrickletRS232.HARDWARE_FLOWCONTROL_ON = 1

For softwareFlowcontrol:

  • BrickletRS232.SOFTWARE_FLOWCONTROL_OFF = 0

  • BrickletRS232.SOFTWARE_FLOWCONTROL_ON = 1

BrickletRS232.SetBreakCondition(breakTime)
Input:
  • breakTime – Type: Int32, Unit: 1 ms, Range: [0 to 216 - 1]

Sets a break condition (the TX output is forced to a logic 0 state). The parameter sets the hold-time of the break condition.

New in version 2.0.2$nbsp;(Plugin).

BrickletRS232.ReadFrame() message, length
Output:
  • message – Type: Char[60]
  • length – Type: Byte, Range: [0 to 60]

Returns up to one frame of bytes from the read buffer. The frame size is configured with SetFrameReadableCallbackConfiguration(). If the returned length is 0, no new data was available.

New in version 2.0.4$nbsp;(Plugin).

Advanced Functions

BrickletRS232.GetIdentity() uid, connectedUid, position, hardwareVersion, firmwareVersion, deviceIdentifier
Output:
  • uid – Type: String, Length: up to 8
  • connectedUid – Type: String, Length: up to 8
  • position – Type: Char, Range: ["a" to "h", "z"]
  • hardwareVersion – Type: Byte[3]
    • 0: major – Type: Byte, Range: [0 to 255]
    • 1: minor – Type: Byte, Range: [0 to 255]
    • 2: revision – Type: Byte, Range: [0 to 255]
  • firmwareVersion – Type: Byte[3]
    • 0: major – Type: Byte, Range: [0 to 255]
    • 1: minor – Type: Byte, Range: [0 to 255]
    • 2: revision – Type: Byte, Range: [0 to 255]
  • deviceIdentifier – Type: Int32, Range: [0 to 216 - 1]

Returns the UID, the UID where the Bricklet is connected to, the position, the hardware and firmware version as well as the device identifier.

The position can be 'a', 'b', 'c', 'd', 'e', 'f', 'g' or 'h' (Bricklet Port). A Bricklet connected to an Isolator Bricklet is always at position 'z'.

The device identifier numbers can be found here. There is also a constant for the device identifier of this Bricklet.

Callback Configuration Functions

BrickletRS232.EnableReadCallback()

Enables the ReadCallback callback. This will disable the FrameReadableCallback callback.

By default the callback is disabled.

BrickletRS232.DisableReadCallback()

Disables the ReadCallback callback.

By default the callback is disabled.

BrickletRS232.IsReadCallbackEnabled() enabled
Output:
  • enabled – Type: Boolean, Default: F

Returns true if the ReadCallback callback is enabled, false otherwise.

BrickletRS232.SetFrameReadableCallbackConfiguration(frameSize)
Input:
  • frameSize – Type: Byte, Unit: 1 B, Range: [0 to 100], Default: 0

Configures the FrameReadableCallback callback. The frame size is the number of bytes, that have to be readable to trigger the callback. A frame size of 0 disables the callback. A frame size greater than 0 enables the callback and disables the ReadCallback callback.

By default the callback is disabled.

New in version 2.0.4$nbsp;(Plugin).

BrickletRS232.GetFrameReadableCallbackConfiguration() frameSize
Output:
  • frameSize – Type: Byte, Unit: 1 B, Range: [0 to 100], Default: 0

Returns the callback configuration as set by SetFrameReadableCallbackConfiguration().

New in version 2.0.4$nbsp;(Plugin).

Callbacks

Callbacks can be registered to receive time critical or recurring data from the device. The registration is done by assigning a function to a callback property of the device object. The available callback property and their type of parameters are described below.

Note

Using callbacks for recurring events is always preferred compared to using getters. It will use less USB bandwidth and the latency will be a lot better, since there is no round trip time.

event BrickletRS232.ReadCallback sender, message, length
Callback Output:
  • sender – Type: .NET Refnum (BrickletRS232)
  • message – Type: Char[60]
  • length – Type: Byte, Range: [1 to 60]

This callback is called if new data is available. The message has a maximum size of 60 characters. The actual length of the message is given in addition.

To enable this callback, use EnableReadCallback().

event BrickletRS232.ErrorCallback sender, error
Callback Output:
  • sender – Type: .NET Refnum (BrickletRS232)
  • error – Type: Byte, Range: See constants

This callback is called if an error occurs. Possible errors are overrun, parity or framing error.

The following constants are available for this function:

For error:

  • BrickletRS232.ERROR_OVERRUN = 1

  • BrickletRS232.ERROR_PARITY = 2

  • BrickletRS232.ERROR_FRAMING = 4

New in version 2.0.1$nbsp;(Plugin).

event BrickletRS232.FrameReadableCallback sender, frameCount
Callback Output:
  • sender – Type: .NET Refnum (BrickletRS232)
  • frameCount – Type: Byte, Range: [0 to 255]

This callback is called if at least one frame of data is readable. The frame size is configured with SetFrameReadableCallbackConfiguration(). The frame count parameter is the number of frames that can be read. This callback is triggered only once until Read() or ReadFrame() is called. This means, that if you have configured a frame size of X bytes, you can read exactly X bytes using the ReadFrame() function, every time the callback triggers without checking the frame count parameter.

New in version 2.0.4$nbsp;(Plugin).

Virtual Functions

Virtual functions don't communicate with the device itself, but operate only on the API bindings device object. They can be called without the corresponding IP Connection object being connected.

BrickletRS232.GetAPIVersion() apiVersion
Output:
  • apiVersion – Type: Byte[3]
    • 0: major – Type: Byte, Range: [0 to 255]
    • 1: minor – Type: Byte, Range: [0 to 255]
    • 2: revision – Type: Byte, Range: [0 to 255]

Returns the version of the API definition implemented by this API bindings. This is neither the release version of this API bindings nor does it tell you anything about the represented Brick or Bricklet.

BrickletRS232.GetResponseExpected(functionId) responseExpected
Input:
  • functionId – Type: Byte, Range: See constants
Output:
  • responseExpected – Type: Boolean

Returns the response expected flag for the function specified by the function ID parameter. It is true if the function is expected to send a response, false otherwise.

For getter functions this is enabled by default and cannot be disabled, because those functions will always send a response. For callback configuration functions it is enabled by default too, but can be disabled by SetResponseExpected(). For setter functions it is disabled by default and can be enabled.

Enabling the response expected flag for a setter function allows to detect timeouts and other error conditions calls of this setter as well. The device will then send a response for this purpose. If this flag is disabled for a setter function then no response is sent and errors are silently ignored, because they cannot be detected.

The following constants are available for this function:

For functionId:

  • BrickletRS232.FUNCTION_ENABLE_READ_CALLBACK = 3

  • BrickletRS232.FUNCTION_DISABLE_READ_CALLBACK = 4

  • BrickletRS232.FUNCTION_SET_CONFIGURATION = 6

  • BrickletRS232.FUNCTION_SET_BREAK_CONDITION = 10

  • BrickletRS232.FUNCTION_SET_FRAME_READABLE_CALLBACK_CONFIGURATION = 11

BrickletRS232.SetResponseExpected(functionId, responseExpected)
Input:
  • functionId – Type: Byte, Range: See constants
  • responseExpected – Type: Boolean

Changes the response expected flag of the function specified by the function ID parameter. This flag can only be changed for setter (default value: false) and callback configuration functions (default value: true). For getter functions it is always enabled.

Enabling the response expected flag for a setter function allows to detect timeouts and other error conditions calls of this setter as well. The device will then send a response for this purpose. If this flag is disabled for a setter function then no response is sent and errors are silently ignored, because they cannot be detected.

The following constants are available for this function:

For functionId:

  • BrickletRS232.FUNCTION_ENABLE_READ_CALLBACK = 3

  • BrickletRS232.FUNCTION_DISABLE_READ_CALLBACK = 4

  • BrickletRS232.FUNCTION_SET_CONFIGURATION = 6

  • BrickletRS232.FUNCTION_SET_BREAK_CONDITION = 10

  • BrickletRS232.FUNCTION_SET_FRAME_READABLE_CALLBACK_CONFIGURATION = 11

BrickletRS232.SetResponseExpectedAll(responseExpected)
Input:
  • responseExpected – Type: Boolean

Changes the response expected flag for all setter and callback configuration functions of this device at once.

Constants

BrickletRS232.DEVICE_IDENTIFIER

This constant is used to identify a RS232 Bricklet.

The GetIdentity() function and the IPConnection.EnumerateCallback callback of the IP Connection have a deviceIdentifier parameter to specify the Brick's or Bricklet's type.

BrickletRS232.DEVICE_DISPLAY_NAME

This constant represents the human readable name of a RS232 Bricklet.